GM Service Manual Online
For 1990-2009 cars only
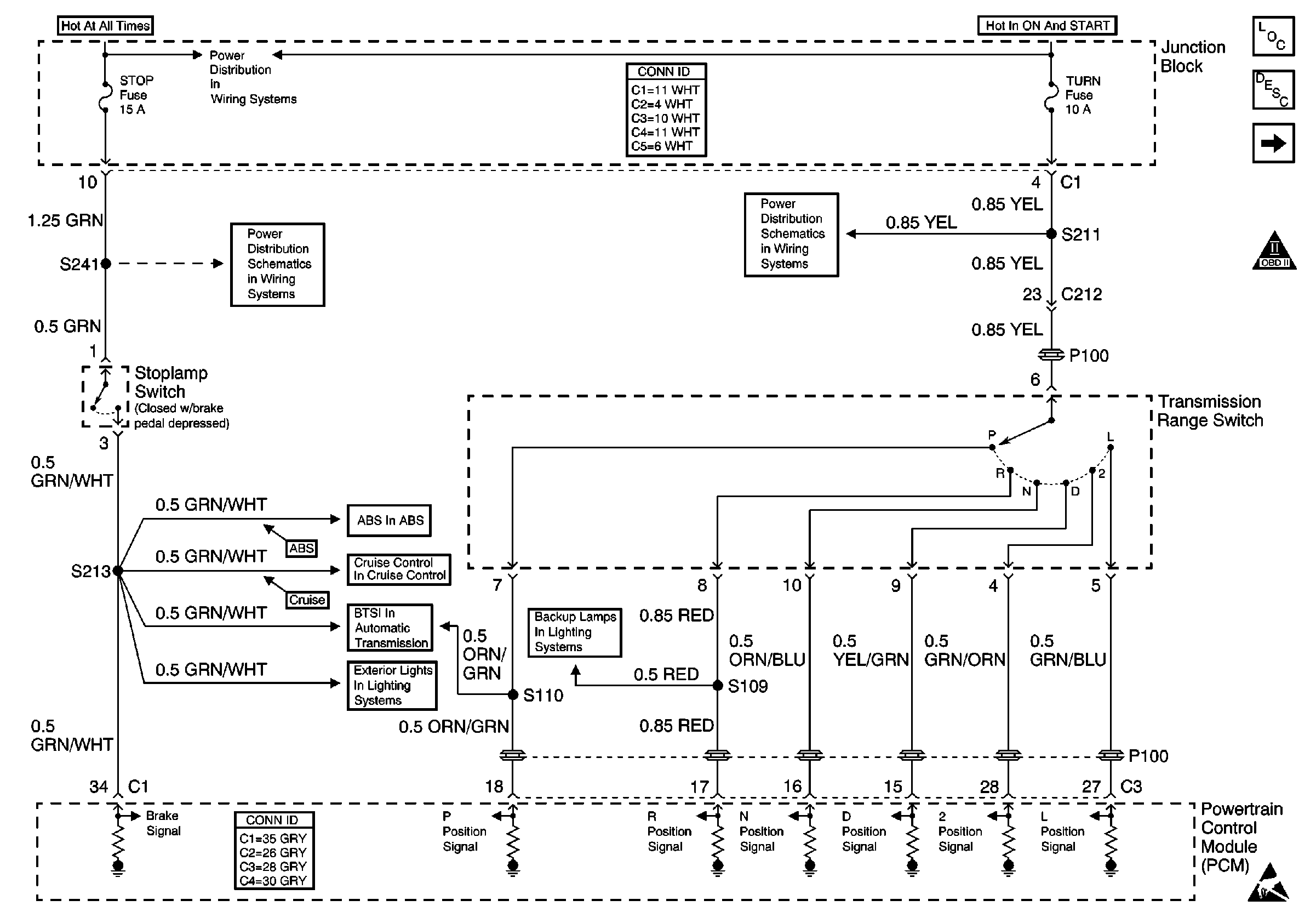
Figure 1:

Transmission Range Switch


Object Number: 478336  Size: FS
HAZ, D/L, TAIL, STOP and DOME Fuses
HAZ, D/L, TAIL, STOP and DOME Fuses
ABS Schematics
Power, Ground and Stoplamp Switch
Backup Lights Schematics
Stoplamps
IG, TURN and WIP Fuses
Shiftlock Control
Automatic Transmission Components
Handling ESD Sensitive Parts Notice
Handling ESD Sensitive Parts Notice
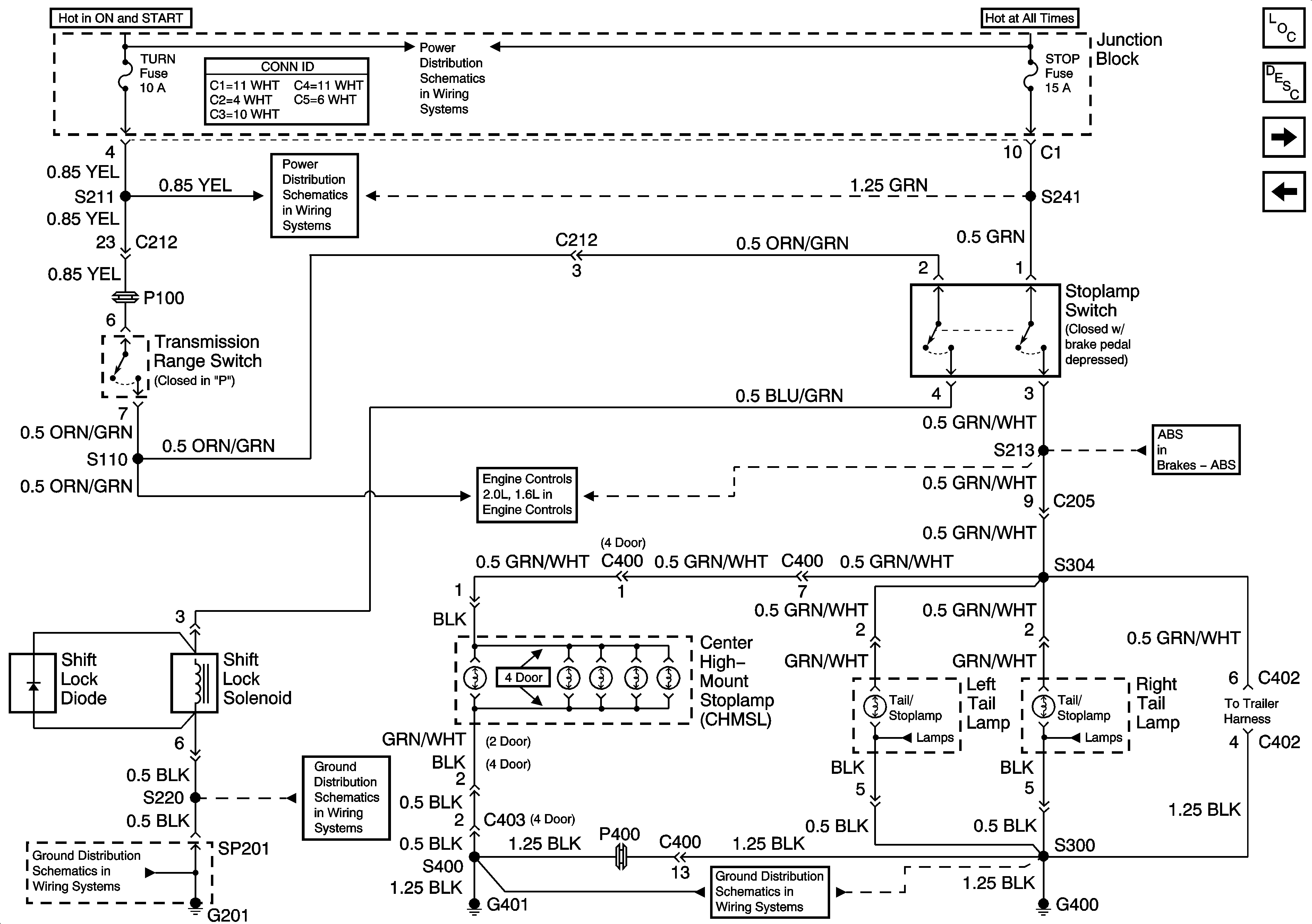
Figure 2:

Shiftlock Control With Cruise Control


Object Number: 487796  Size: FS
G201
G201
TR Switch Position and Stoplamp Switch Inputs
IG, TURN and WIP Fuses
HAZ, D/L, TAIL, STOP and DOME Fuses
Automatic Transmission Components
Shiftlock Control w/o Cruise Control
Transmission Range Switch
Handling ESD Sensitive Parts Notice
Stoplamps
G105
Figure 3:

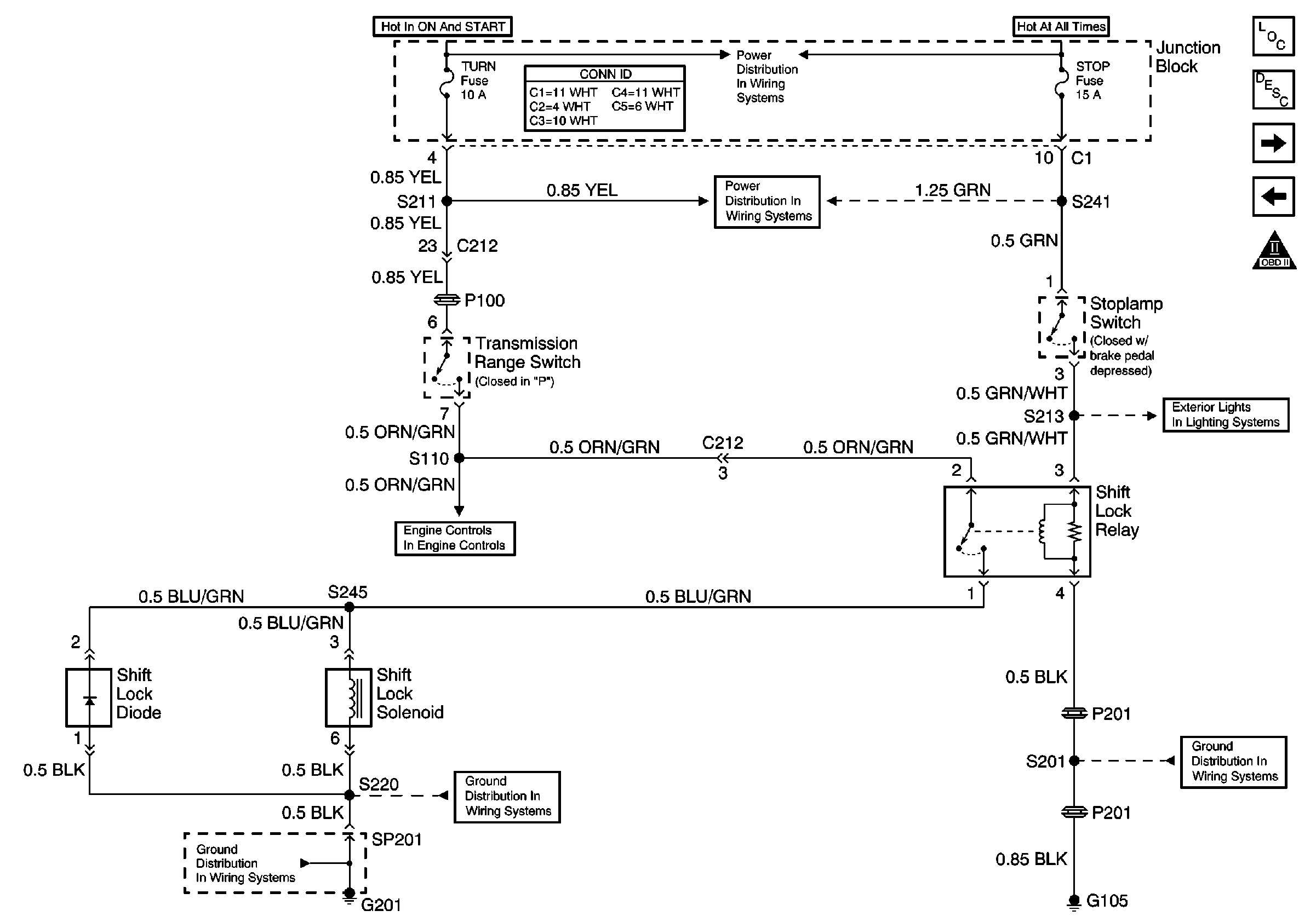
Shiftlock Control Without Cruise Control


Object Number: 1642704  Size: FS
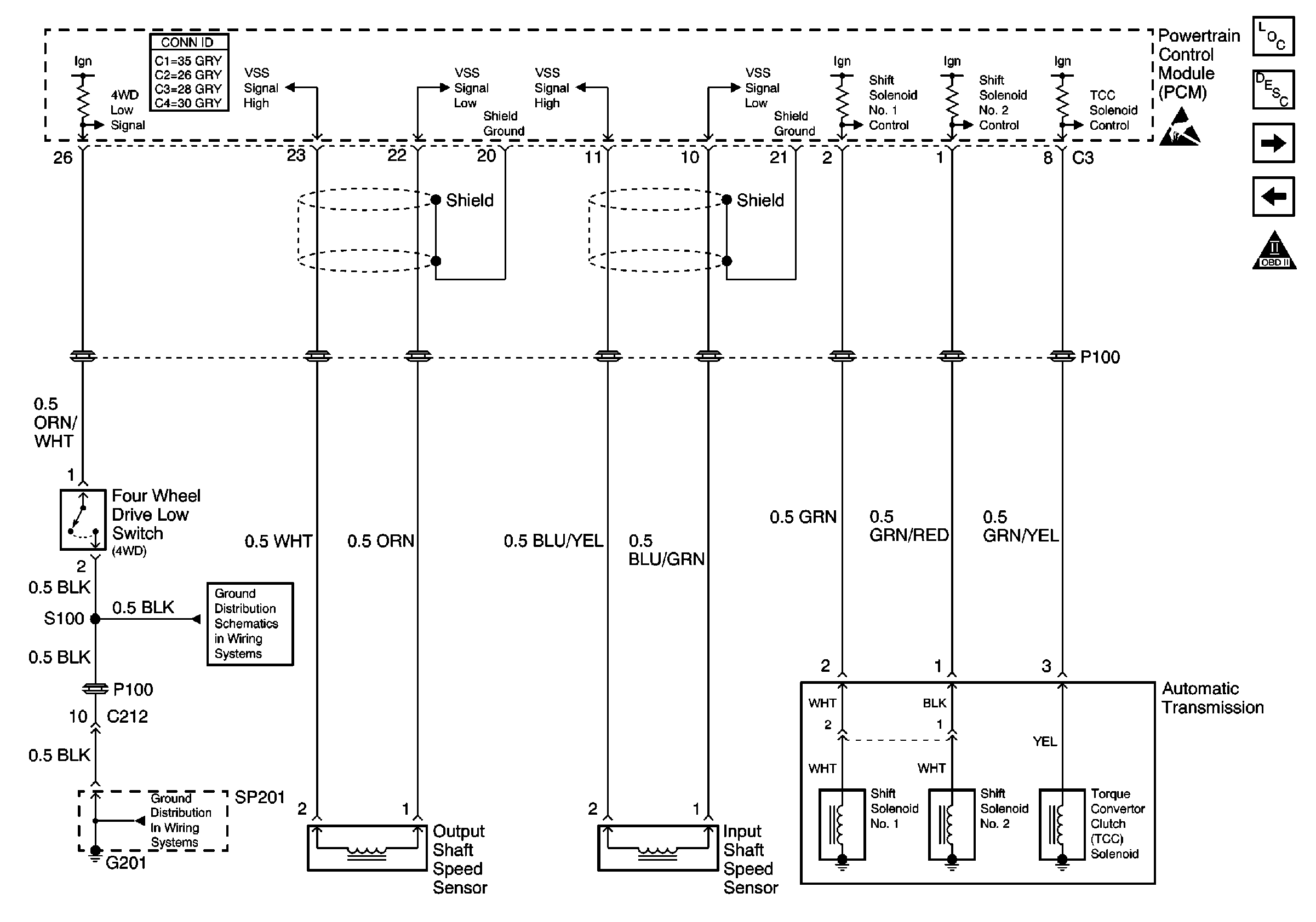
Automatic Transmission Components
Shift Solenoids and Speed Sensors
Shiftlock Control
IG, TURN and WIP Fuses
HAZ, D/L, TAIL, STOP and DOME Fuses
IG, TURN and WIP Fuses
HAZ, D/L, TAIL, STOP and DOME Fuses
TR Switch Position and Stoplamp Switch Inputs
Brake Fluid Level Switch, Brake indicator, and Stoplamp Switch
G201
G201
G400 and G401
Figure 4:

Shift Solenoids and Speed Sensors


Object Number: 478340  Size: FS
G201
G201
Automatic Transmission Components
Overdrive Switch and Shift Program Switch
Shiftlock Control w/o Cruise Control
Handling ESD Sensitive Parts Notice
Handling ESD Sensitive Parts Notice
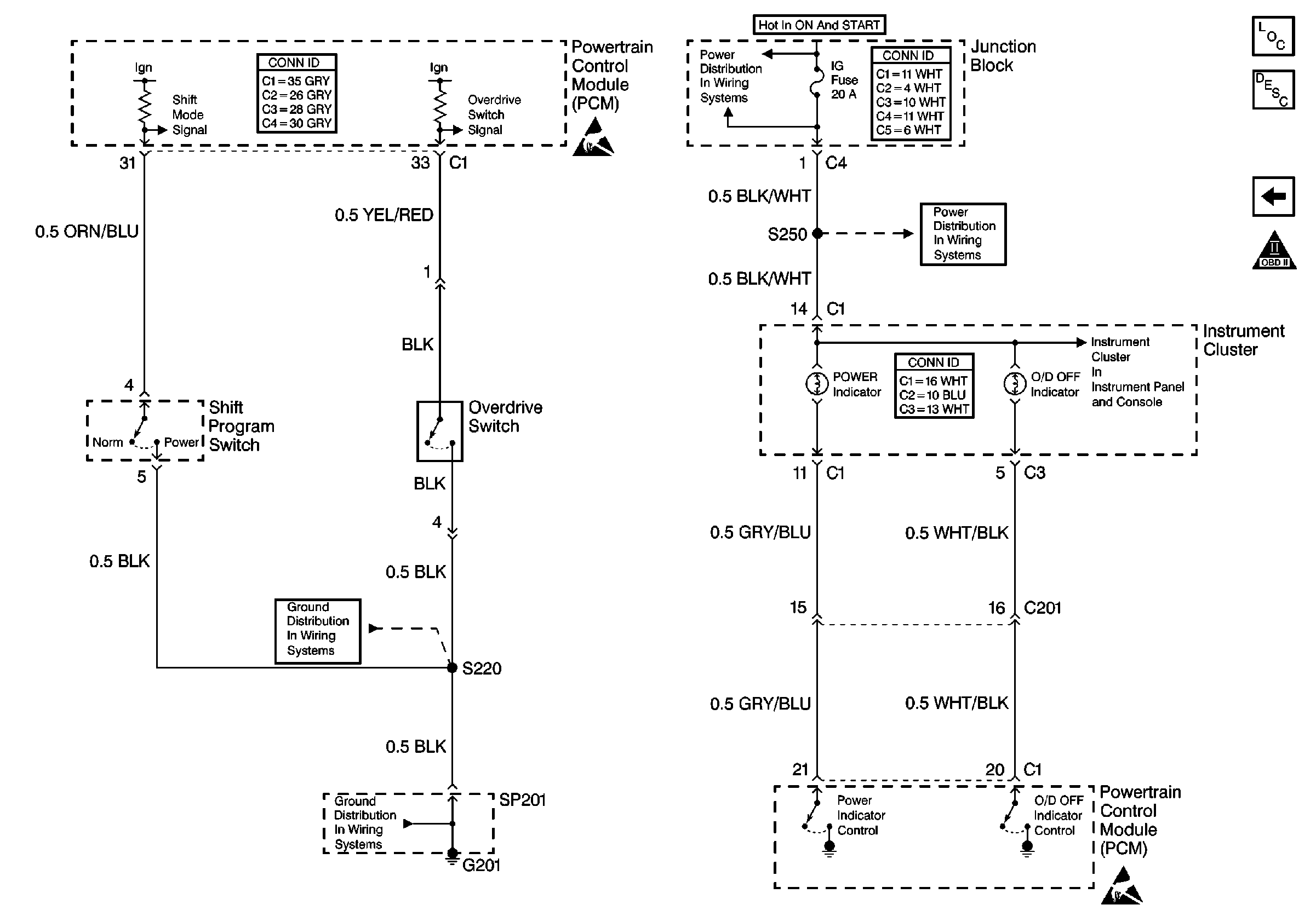
Figure 5:

Overdrive Switch and Shift Program Switch


Object Number: 478341  Size: FS
Handling ESD Sensitive Parts Notice
IG, TURN and WIP Fuses
IG Fuse
Shift Solenoids and Speed Sensors
Automatic Transmission Components
Handling ESD Sensitive Parts Notice
(Engine Indicators)
G201
G201
Handling ESD Sensitive Parts Notice