GM Service Manual Online
For 1990-2009 cars only
Makes
🢒
Chevrolet
🢒
2000
🢒
Tracker - 2WD
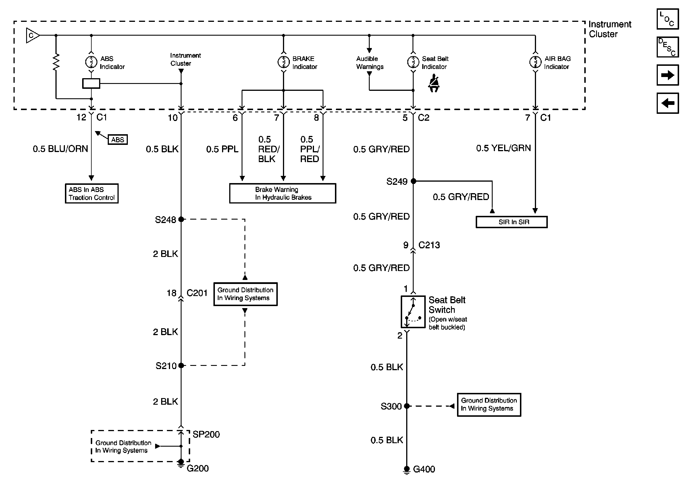
🢒 (ABS, Brake, Seat Belt and Airbag Indicators)
(ABS, Brake, Seat Belt and Airbag Indicators)
(ABS,Brake,Seat Belt and Airbag Indicators)
Instrument Cluster Components
Instrument Cluster Circuit Description
(Turn and High Beam Indicators)
(Speedometer)
SIR Schematics
G400 and G401
Brake Warning System Schematics
G200 (1 of 2)
G200 (1 of 2)
ABS Schematics