GM Service Manual Online
For 1990-2009 cars only
Makes
🢒
Chevrolet
🢒
2000
🢒
Tracker - 2WD
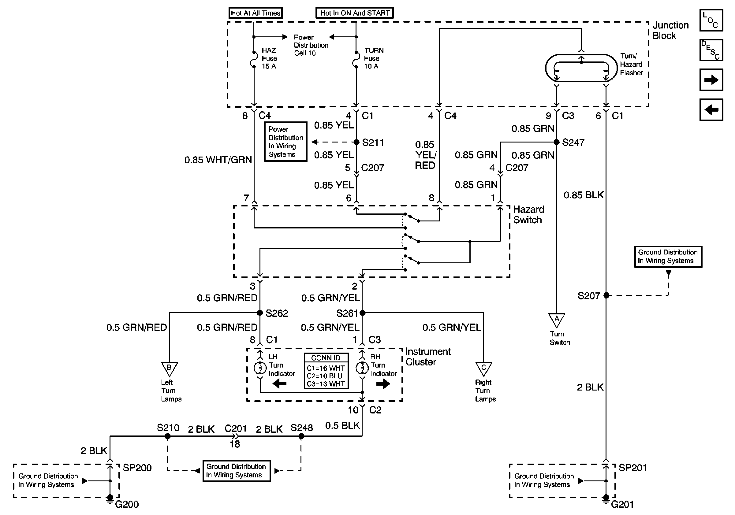
🢒 Hazard Switch and Turn Indicators
Hazard Switch and Turn Indicators
Hazard Switch and Turn Indicators
Lighting Systems Components
Exterior Lights Circuit Description
Turn Switch and Lamps
Rear Parklamps
G200-G201
G201
G200 (2 of 2)
G200 (1 of 2)
IG, TURN and WIP Fuses
IG, TURN and WIP Fuses