GM Service Manual Online
For 1990-2009 cars only
Makes
🢒
Chevrolet
🢒
2000
🢒
Tracker - 2WD
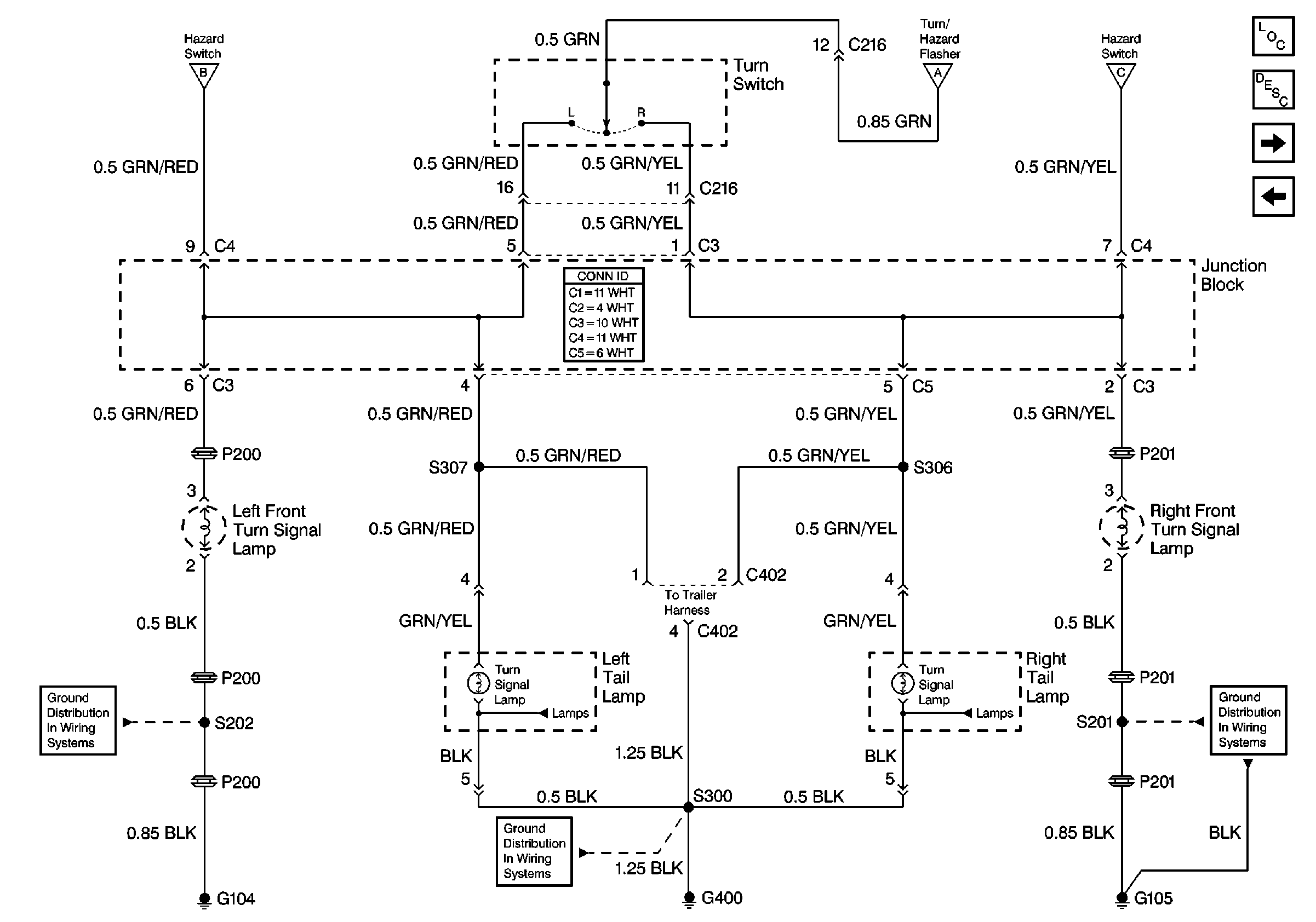
🢒 Turn Switch and Lamps
Turn Switch and Lamps
Turn Switch and Lamps
Lighting Systems Components
Exterior Lights Circuit Description
Stoplamps
Hazard Switch and Turn Indicators
G400 and G401
G105