GM Service Manual Online
For 1990-2009 cars only
Makes
🢒
Chevrolet
🢒
2001
🢒
Tracker - 2WD
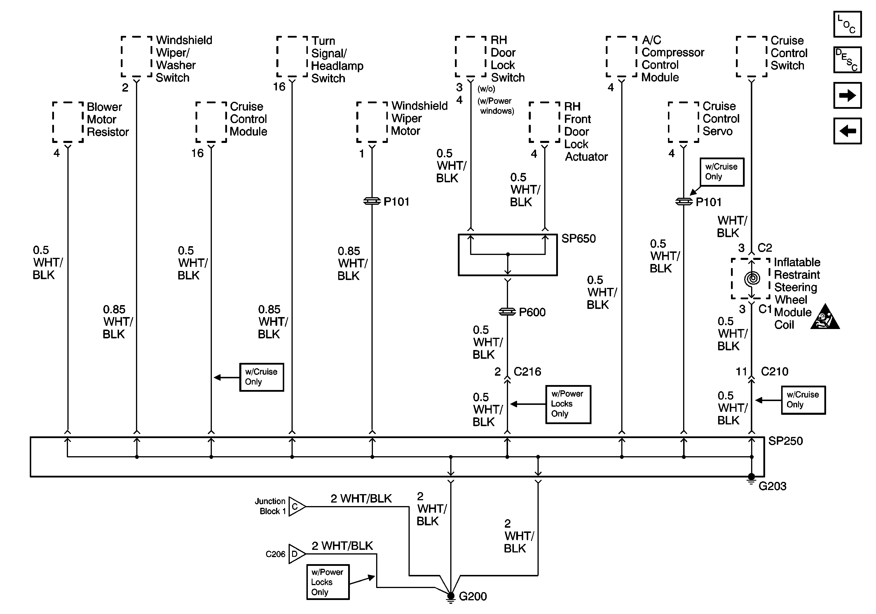
🢒 G200, G203, SP250, and SP650
G200, G203, SP250, and SP650
G200, G203, SP250, and SP650
Master Electrical Component List
G204, Junction Block 1, and SP256
Junction Block 3
SIR Handling Caution
G204, Junction Block 1, and SP256
SP550 and SP551