GM Service Manual Online
For 1990-2009 cars only
Makes
🢒
Chevrolet
🢒
2001
🢒
Tracker - 2WD
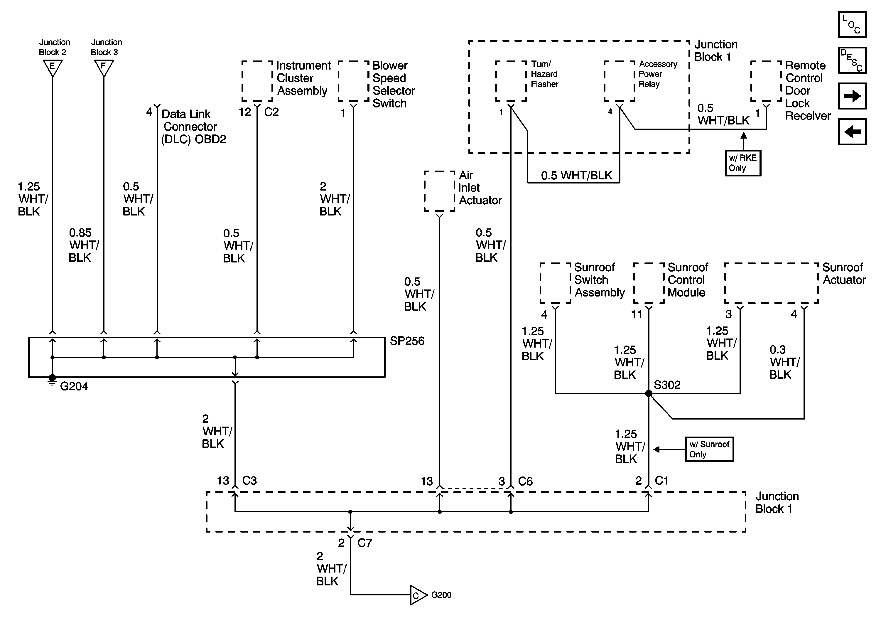
🢒 G204, Junction Block 1, and SP256
G204, Junction Block 1, and SP256
G204, Junction Block 1, and SP256
Master Electrical Component List
SP550 and SP551
G200, G203, SP250, and SP650
G200, G203, SP250, and SP650
Junction Block 2
Junction Block 3