GM Service Manual Online
For 1990-2009 cars only
Makes
🢒
Chevrolet
🢒
2001
🢒
Tracker - 2WD
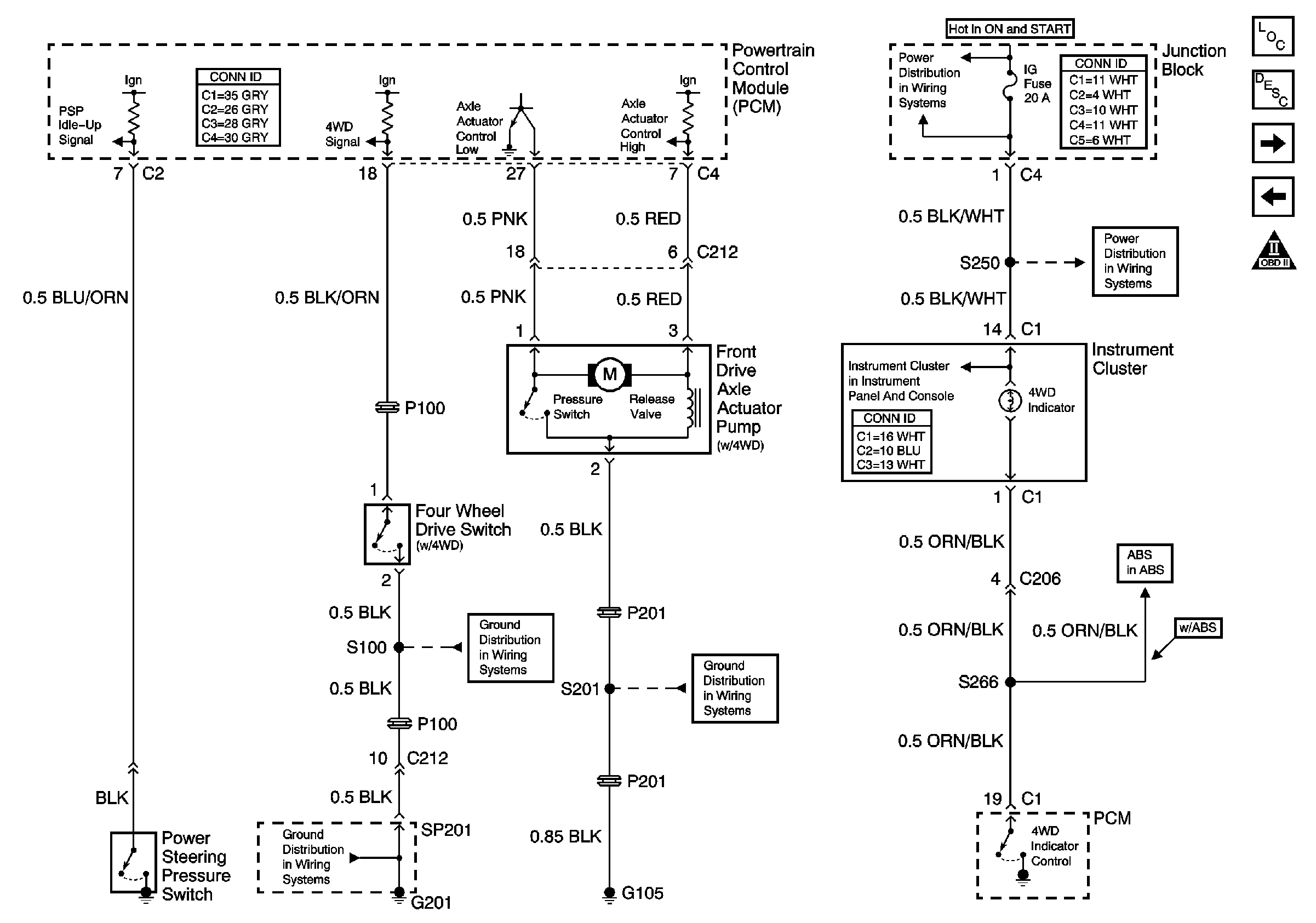
🢒 FRONT DRIVE AXLE ACTUATOR PUMP
FRONT DRIVE AXLE ACTUATOR PUMP
FRONT DRIVE AXLE ACTUATOR PUMP
Master Electrical Component List
Powertrain Control Module (PCM) Idle-Up Inputs
Exhaust Gas Recirculation (EGR) Valve and EVAP Solenoids
IG, Turn and WIP Fuses
Instrument Cluster Indicators
H/L, HTR, IG, and Lamp Fuses
G105
G201
G201