GM Service Manual Online
For 1990-2009 cars only
Makes
🢒
Chevrolet
🢒
2001
🢒
Tracker - 2WD
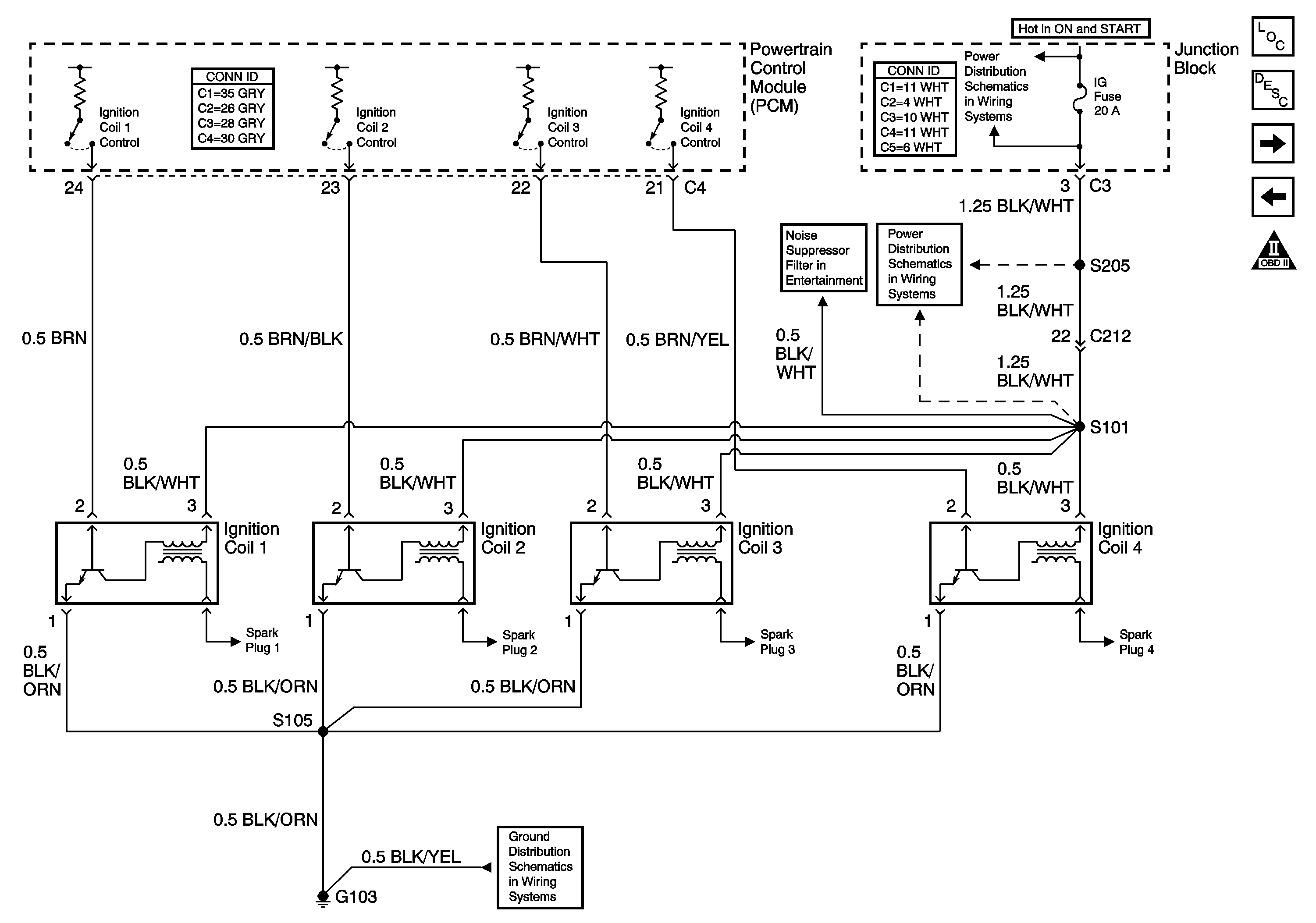
🢒 Ignition Coils
Ignition Coils
Ignition Coils
Master Electrical Component List
Fuel Injectors
Idle Air Control (IAC) Valve, Mass Air Flow (MAF) Sensor, Vehicle SPeED Sensor (VSS)
OBD II Symbol Description Notice
H/L, HTR, IG, and Lamp Fuses
NO TITLE ENTERTAINMENT
G103