GM Service Manual Online
For 1990-2009 cars only
Makes
🢒
Chevrolet
🢒
2001
🢒
Tracker - 2WD
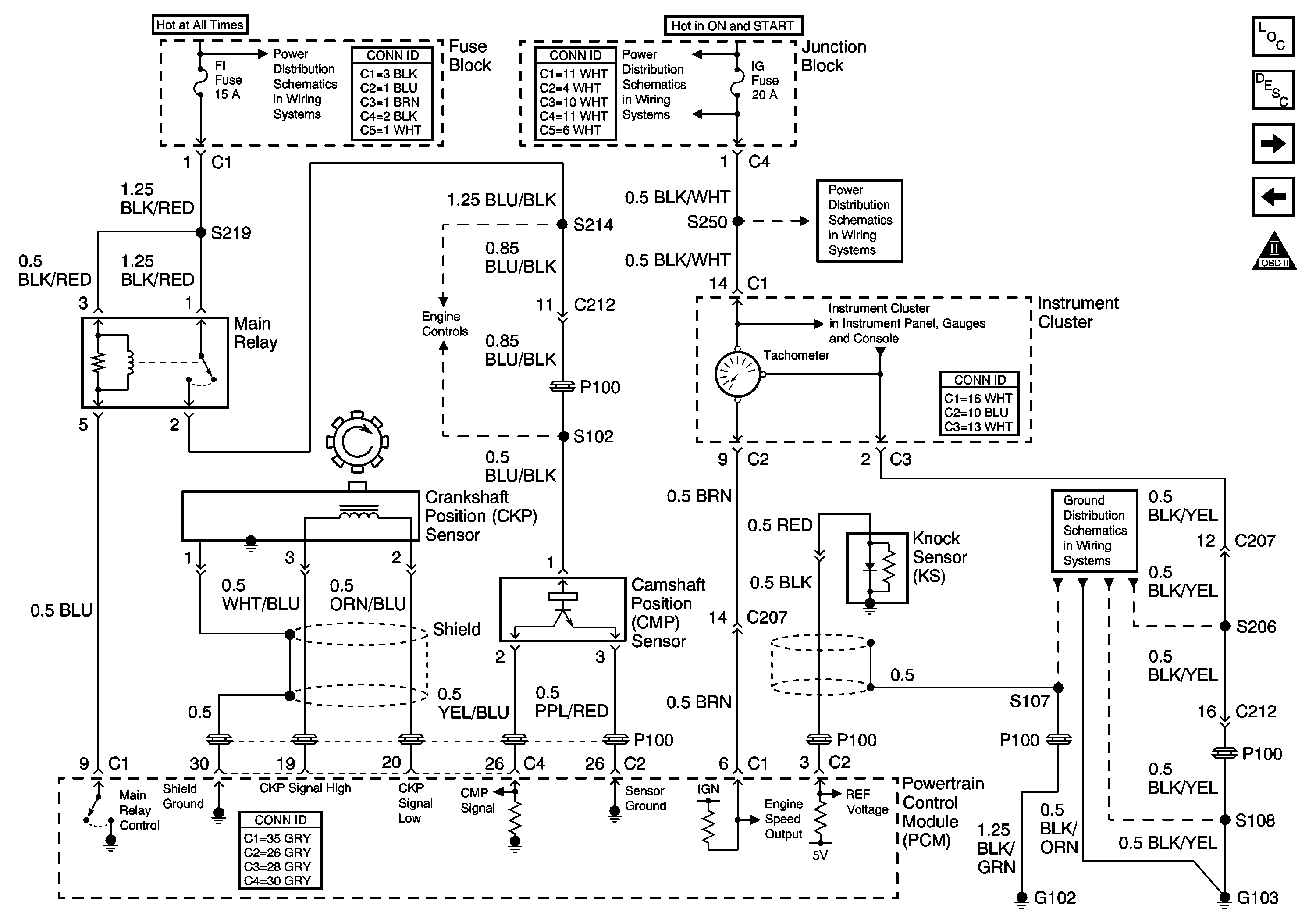
🢒 Crankshaft Position (CKP) Sensor, Camshaft Position (CMP) Sensor, Knock Sensor (KS)
Crankshaft Position (CKP) Sensor, Camshaft Position (CMP) Sensor, Knock Sensor (KS)
Crankshaft Position (CKP) Sensor, Camshaft Position (CMP) Sensor, Knock Sensor (KS)
Master Electrical Component List
Heated Oxygen Sensors
Fuel Pump Relay, Fuel Sender Assembly
OBD II Symbol Description Notice
G103
IG, Turn and WIP Fuses
Oil Pressure Switch, (ECT) Sensor
H/L, HTR, IG, and Lamp Fuses
BATT, ABS, FI and ACC Fuses