GM Service Manual Online
For 1990-2009 cars only
Makes
🢒
Chevrolet
🢒
2001
🢒
Tracker - 2WD
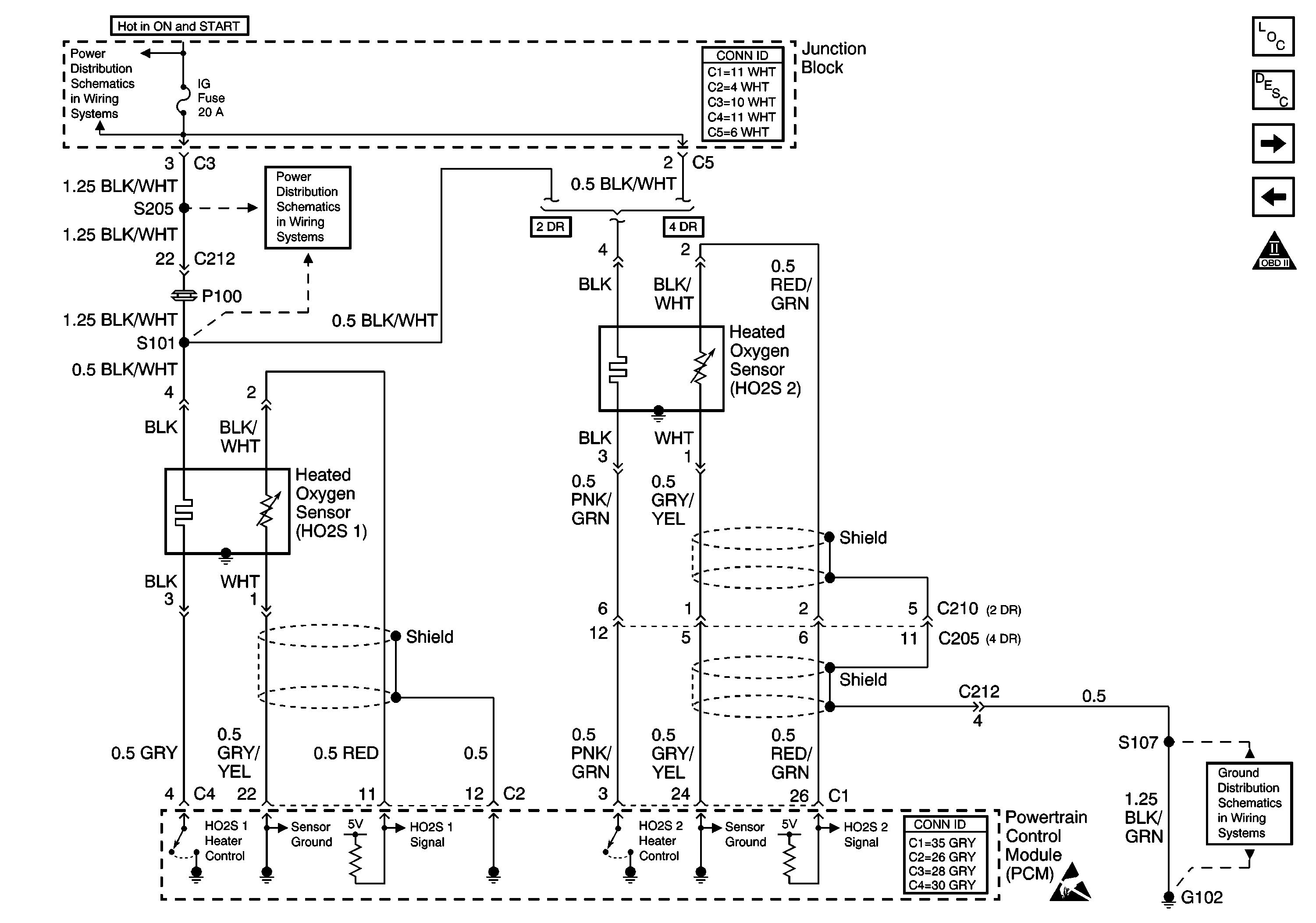
🢒 Heated Oxygen Sensors
Heated Oxygen Sensors
Heated Oxygen Sensors
Master Electrical Component List
CPP Switch, (TR) Switch
Crankshaft Position (CKP) Sensor, Camshaft Position (CMP) Sensor, Knock Sensor (KS)
OBD II Symbol Description Notice
G100, G101 and G102
IG Fuse
H/L, HTR, IG, and Lamp Fuses