GM Service Manual Online
For 1990-2009 cars only
Makes
🢒
Chevrolet
🢒
2001
🢒
Tracker - 2WD
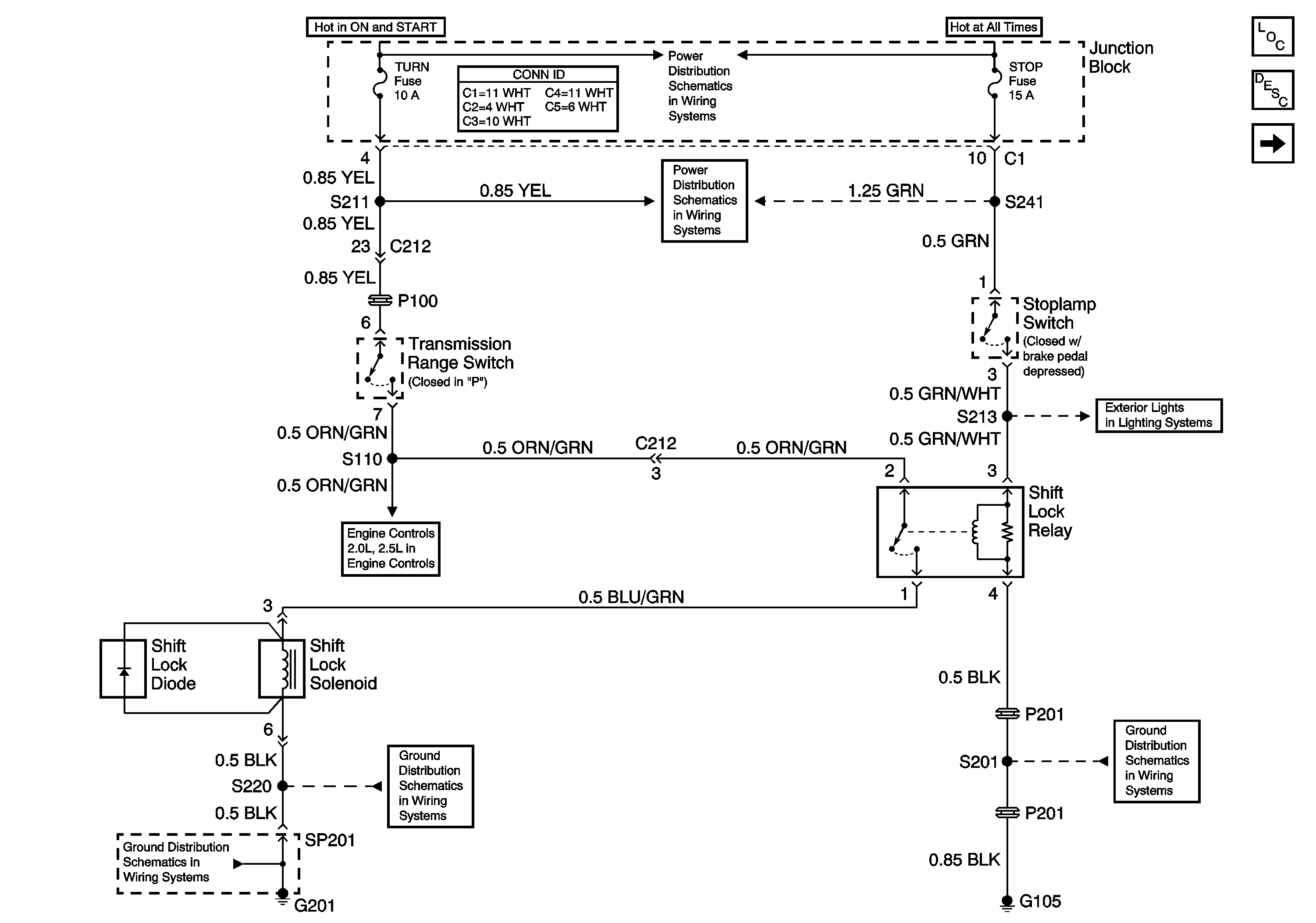
🢒 Shiftlock Control With Cruise Control
Shiftlock Control With Cruise Control
Shiftlock Control With Cruise Control
Master Electrical Component List
Automatic Transmission Shift Lock Control Description and Operation
Shiftlock Control Without Cruise Control
Center High Mount Stoplamp (CHMSL)
G105
HAZ, D/L, TAIL, Stop and Dome Fuses
IG, Turn and WIP Fuses
Stoplamp Switch, Transmission Range Switch
G201
G201