GM Service Manual Online
For 1990-2009 cars only
Makes
🢒
Chevrolet
🢒
2001
🢒
Tracker - 2WD
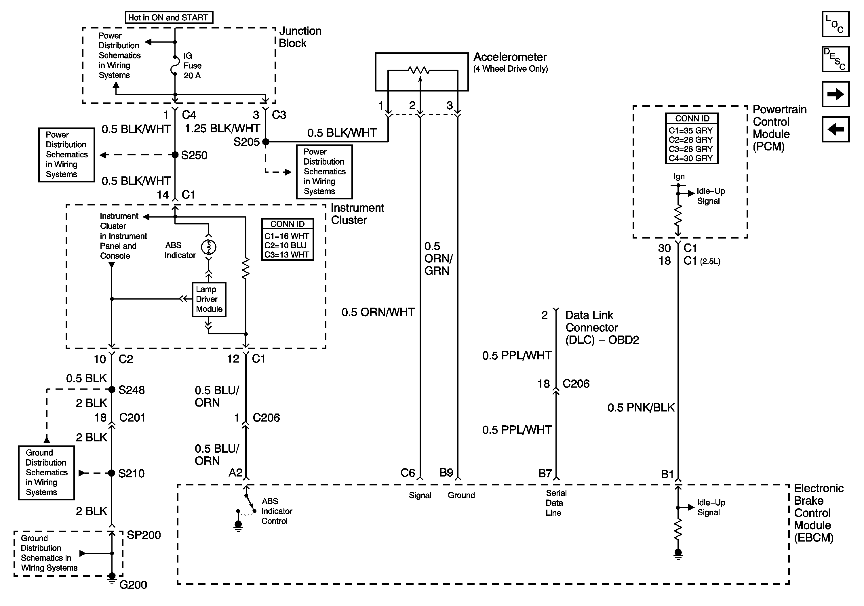
🢒 ABS Indicator, Accelerometer, and Idle Up Signal
ABS Indicator, Accelerometer, and Idle Up Signal
ABS Indicator, Accelerometer, and Idle Up Signal
Master Electrical Component List
ABS Description and Operation
ABS Description and Operation
Brake Fluid Level Indicator, Brake Indicator and Stoplamp Switch
Brake Pressure Modulator Valve
IG Fuse
IG Fuse
IG, Turn and WIP Fuses
ABS Indicator, Brake Indicator, Air Bag Indicator
G200 (1 of 2)
G200 (1 of 2)