GM Service Manual Online
For 1990-2009 cars only
Makes
🢒
Chevrolet
🢒
2001
🢒
Tracker - 2WD
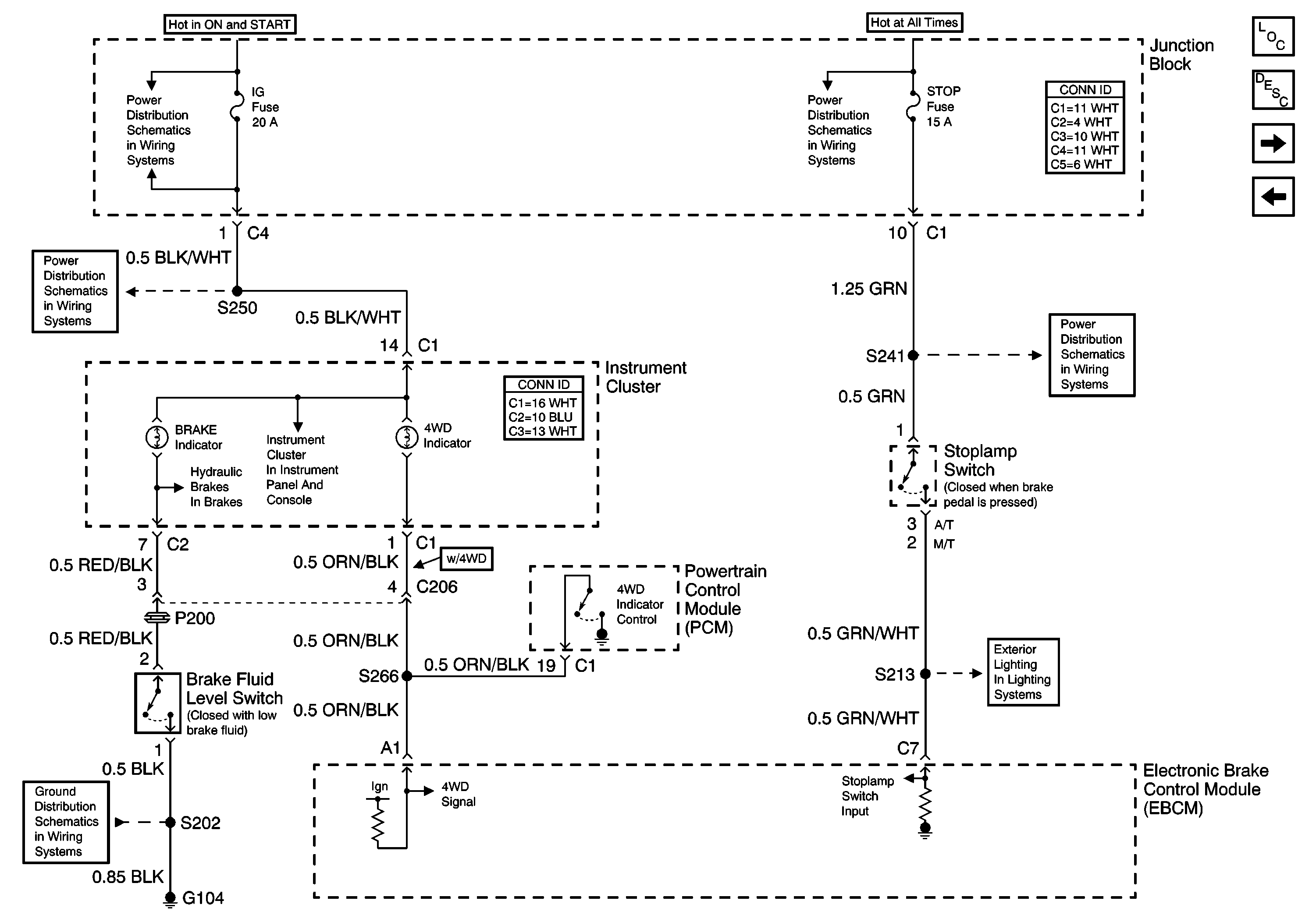
🢒 Brake Fluid Level Indicator, Brake Indicator and Stoplamp Switch
Brake Fluid Level Indicator, Brake Indicator and Stoplamp Switch
Brake Fluid Level Indicator, Brake Indicator and Stoplamp Switch
Master Electrical Component List
ABS Description and Operation
ABS Description and Operation
Wheel Speed Sensors
ABS Indicator, Accelerometer, and Idle Up Signal
HAZ, D/L, TAIL, Stop and Dome Fuses
Center High Mount Stoplamp (CHMSL)
HAZ, D/L, TAIL, Stop and Dome Fuses
IG Fuse
NO TITLE BRAKES
Instrument Cluster Indicators
G104