GM Service Manual Online
For 1990-2009 cars only
Makes
🢒
Chevrolet
🢒
2001
🢒
Tracker - 2WD
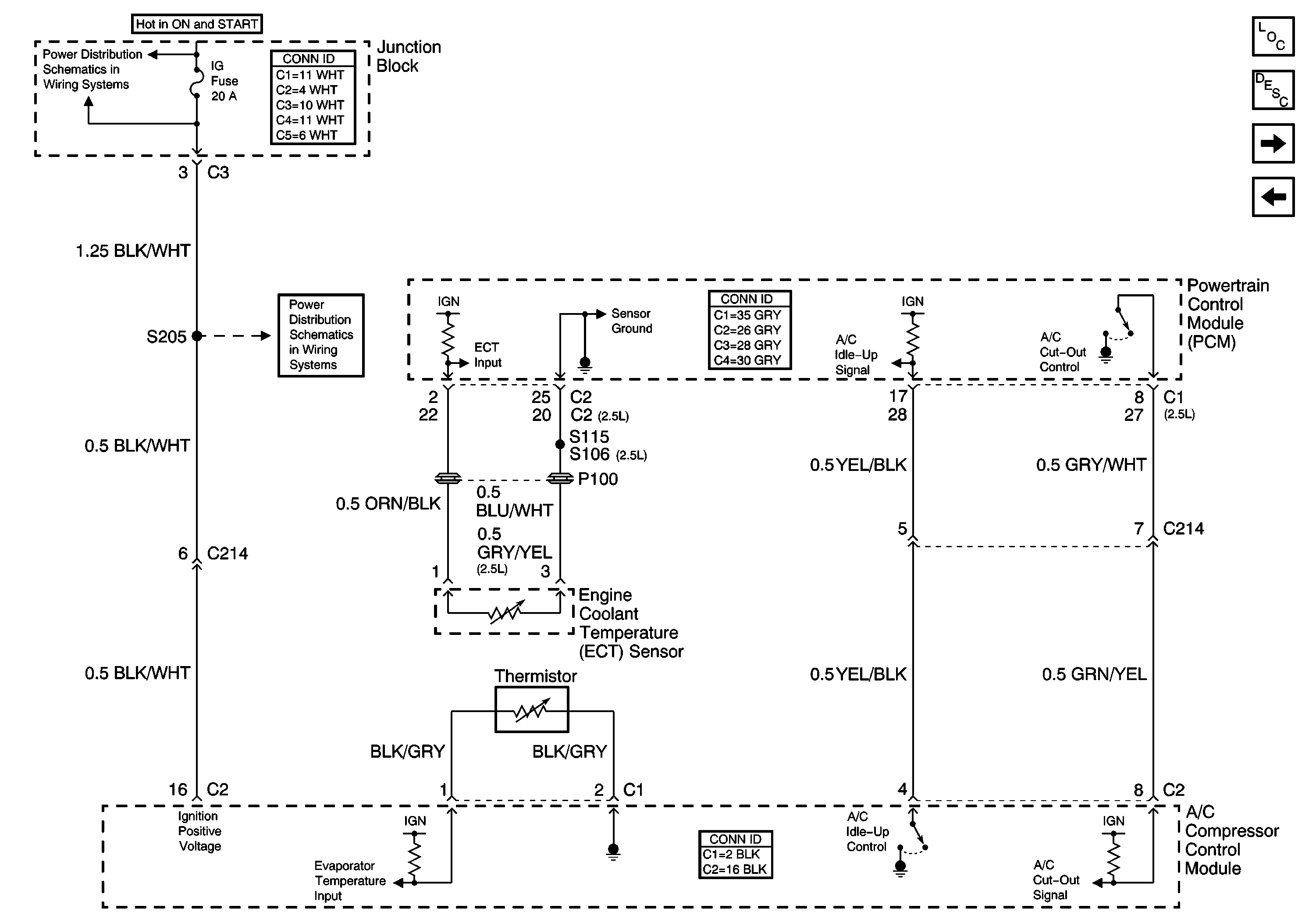
🢒 ECT Sensor, Evaporator Temperature Sensor, A/C Compressor Control Module
ECT Sensor, Evaporator Temperature Sensor, A/C Compressor Control Module
Compressor Control Module, ECT, Evaporator Temp Sensor and PCM
Master Electrical Component List
Air Temperature Description and Operation
Ground, A/C and Pressure Switches
Blower Control w/ A/C