GM Service Manual Online
For 1990-2009 cars only
Makes
🢒
Chevrolet
🢒
2001
🢒
Tracker - 2WD
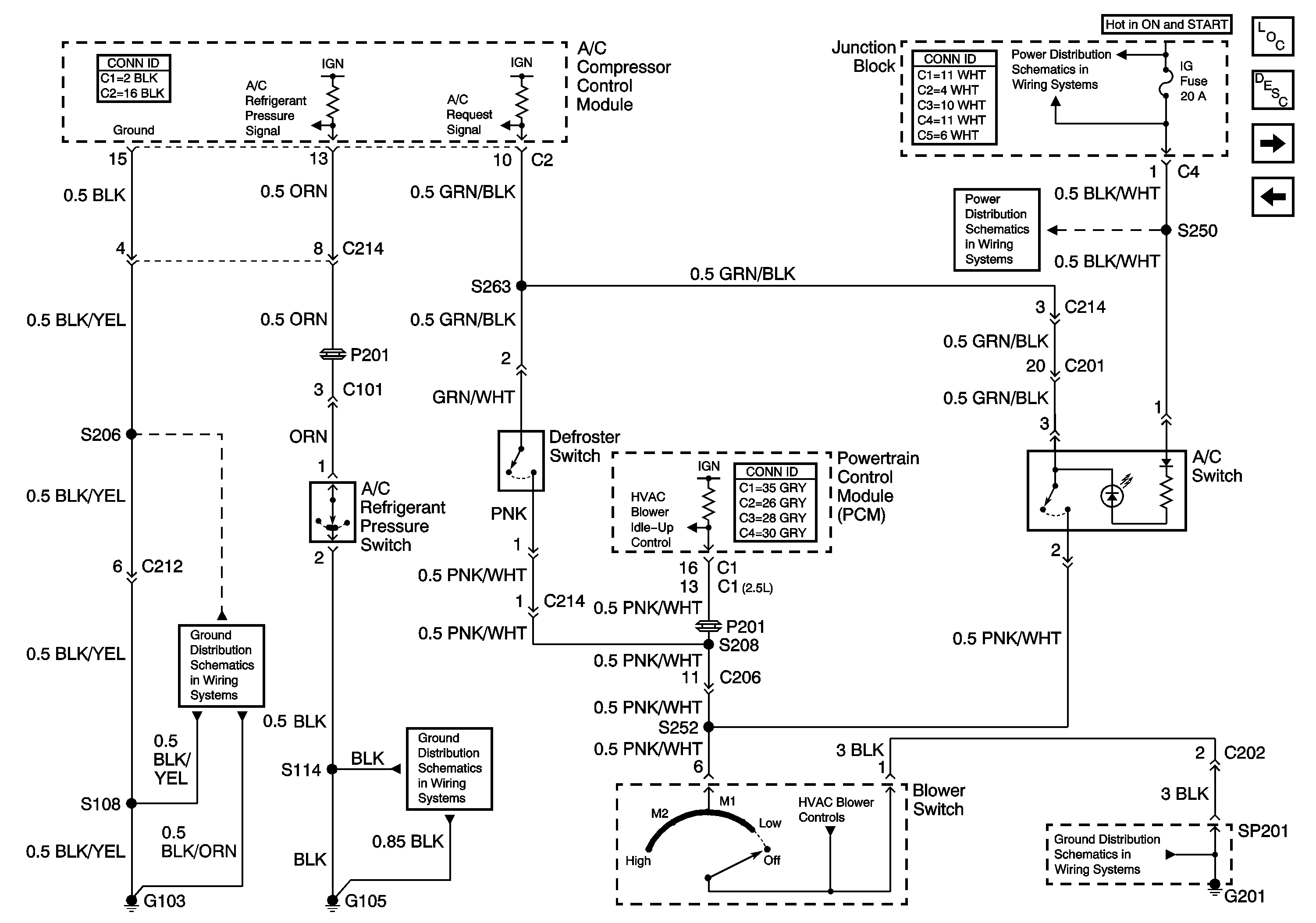
🢒 Ground, A/C and Pressure Switches
Ground, A/C and Pressure Switches
Ground, A/C and Pressure Switches
Master Electrical Component List
Air Temperature Description and Operation
Compressor Clutch and Condenser Fan Control
ECT Sensor, Evaporator Temperature Sensor, A/C Compressor Control Module
IG Fuse
IG Fuse
G200 (1 of 2)
G105
G103