GM Service Manual Online
For 1990-2009 cars only
Makes
🢒
Chevrolet
🢒
2001
🢒
Tracker - 2WD
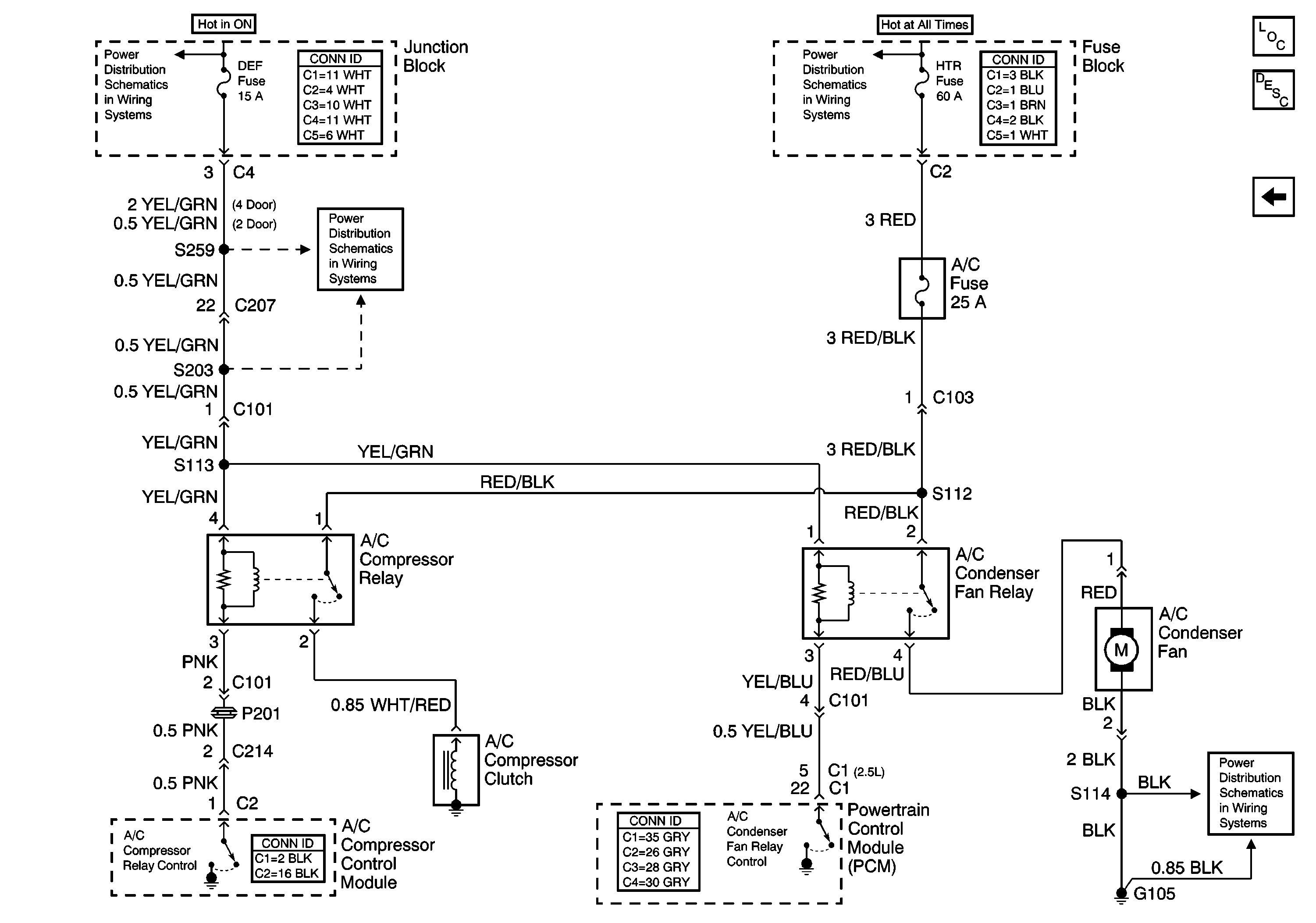
🢒 Compressor Clutch and Condenser Fan Control
Compressor Clutch and Condenser Fan Control
Compressor Clutch and Condenser Fan Control
Master Electrical Component List
Air Temperature Description and Operation
Ground, A/C and Pressure Switches
G105
H/L, HTR, IG, and Lamp Fuses
CIG, DEF and P/W Fuses
CIG, DEF and P/W Fuses