GM Service Manual Online
For 1990-2009 cars only
Makes
🢒
Chevrolet
🢒
2001
🢒
Tracker - 2WD
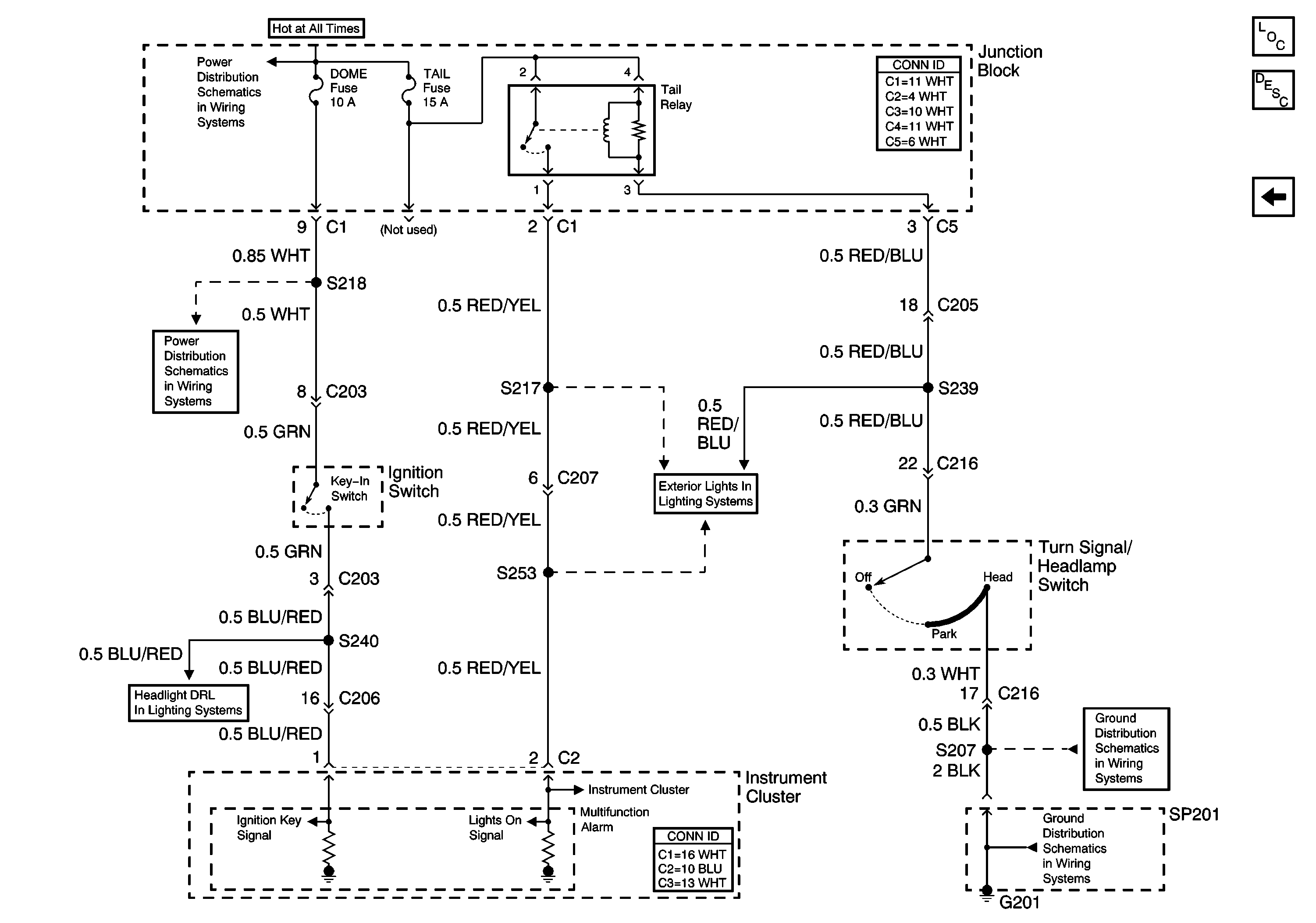
🢒 Turn Signal/Headlamp Switch
Turn Signal/Headlamp Switch
Turn Signal/Headlamp Switch
Master Electrical Component List
Instrument Panel Description
Seat Belt Switch, Door Jamb Switch
G201
G201
Side Marker Lamps, Light Switch
Park Brake Switch (DRL)
HAZ, D/L, TAIL, Stop and Dome Fuses
HAZ, D/L, TAIL, Stop and Dome Fuses