GM Service Manual Online
For 1990-2009 cars only
Makes
🢒
Chevrolet
🢒
2001
🢒
Tracker - 2WD
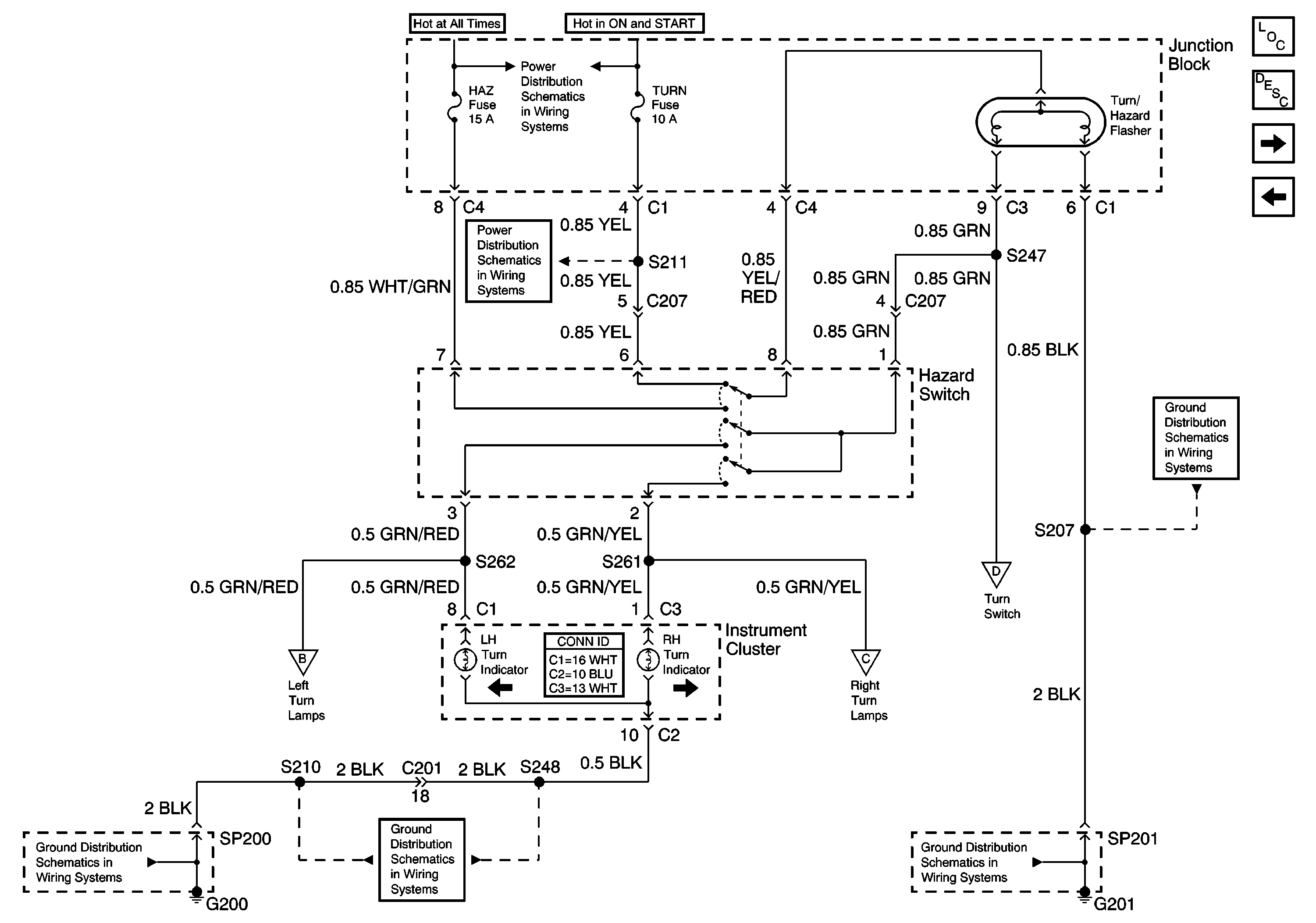
🢒 Hazard Switch, Turn/Hazard Flasher
Hazard Switch, Turn/Hazard Flasher
Hazard Switch, Turn/Hazard Flasher
Master Electrical Component List
Exterior Lighting Systems Description and Operation
Turn Signal Lamps
Tail Lamps
G200 and G201
Turn Signal Lamps
Turn Signal Lamps
G200 (1 of 2)
G200 (1 of 2)
IG, Turn and WIP Fuses
HAZ, D/L, TAIL, Stop and Dome Fuses
G201