GM Service Manual Online
For 1990-2009 cars only
Makes
🢒
Chevrolet
🢒
2001
🢒
Tracker - 2WD
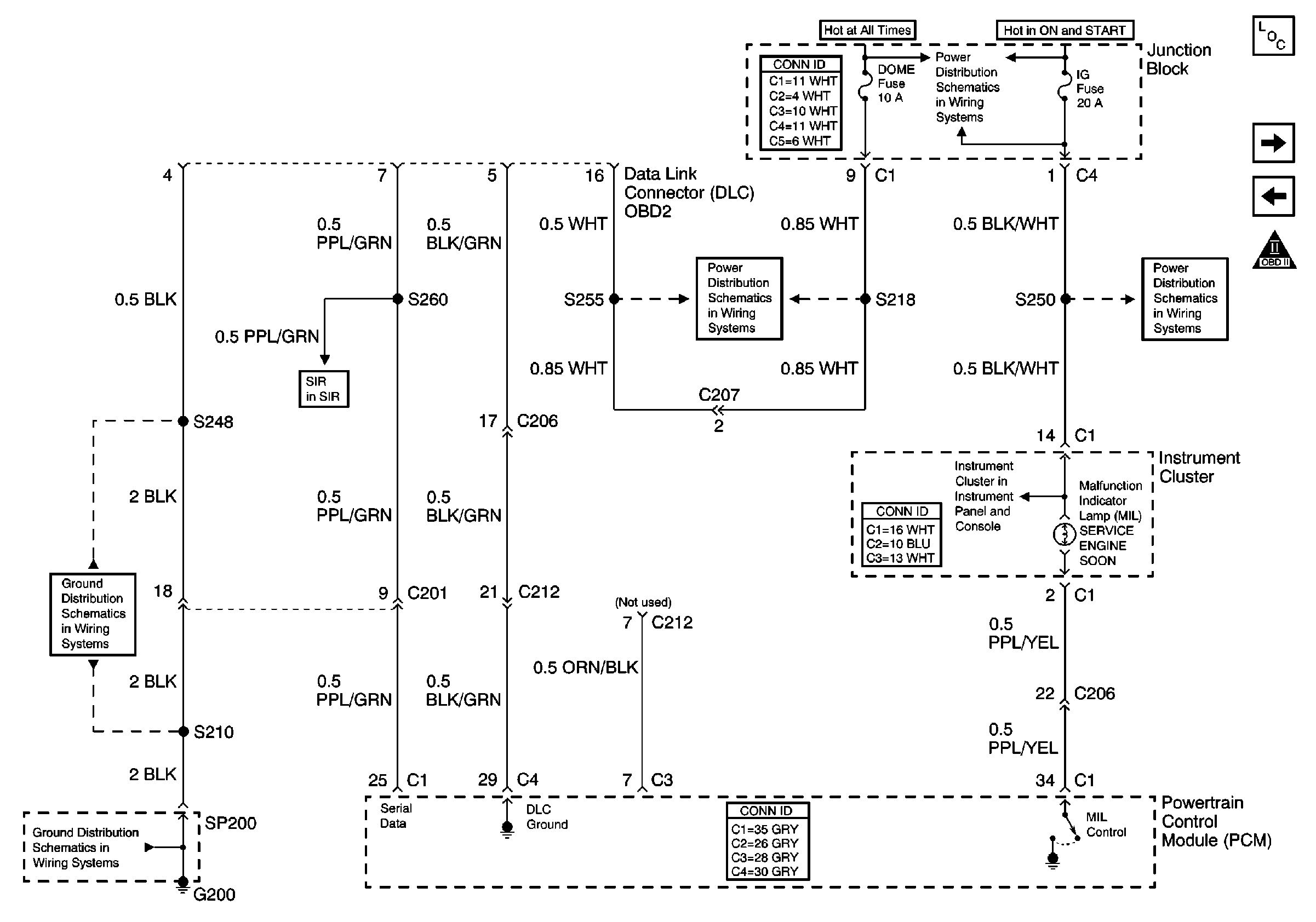
🢒 Data Link Connector (DLC) and Malfunction Indicator Lamp (MIL)
Data Link Connector (DLC) and Malfunction Indicator Lamp (MIL)
Data Link Connector (DLC) and Malfunction Indicator Lamp (MIL)
Master Electrical Component List
EGR Valve, EVAP Valve, EVAP Solenoid
Main Relay, Powertrain Control Module (PCM) Power and Ground
OBD II Symbol Description Notice
IG, Turn and WIP Fuses
Instrument Cluster Indicators
HAZ, D/L, TAIL, Stop and Dome Fuses
HAZ, D/L, TAIL, Stop and Dome Fuses
NO TITLE SIR
G200 (1 of 2)
G200 (2 of 2)