GM Service Manual Online
For 1990-2009 cars only
Makes
🢒
Chevrolet
🢒
2001
🢒
Tracker - 2WD
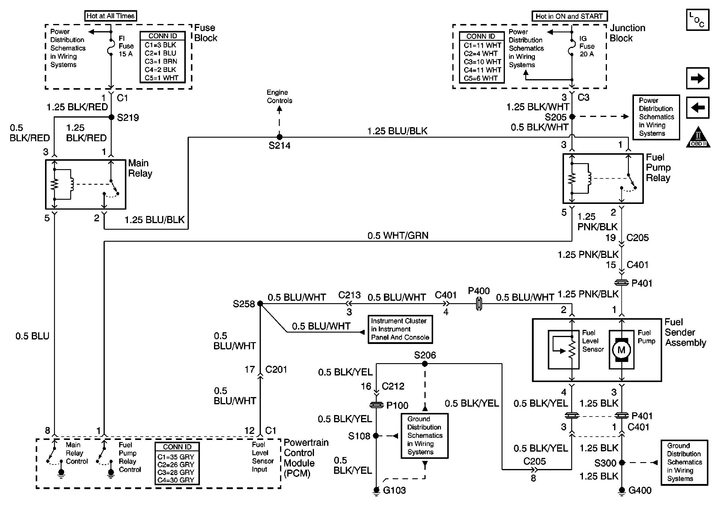
🢒 Fuel Pump Relay, Fuel Sender Assembly
Fuel Pump Relay, Fuel Sender Assembly
Fuel Pump Relay, Fuel Sender Assembly
Master Electrical Component List
CKP Sensor, CMP Sensor
ECT Sensor, MAP Sensor, TP Sensor, IAT Sensor
OBD II Symbol Description Notice
G400 and G401
IG Fuse
H/L, HTR, IG, and Lamp Fuses
Oil Pressure Switch, (ECT) Sensor
G103
Main Relay, Powertrain Control Module (PCM) Power and Ground
BATT, ABS, FI and ACC Fuses