GM Service Manual Online
For 1990-2009 cars only
Makes
🢒
Chevrolet
🢒
2001
🢒
Tracker - 2WD
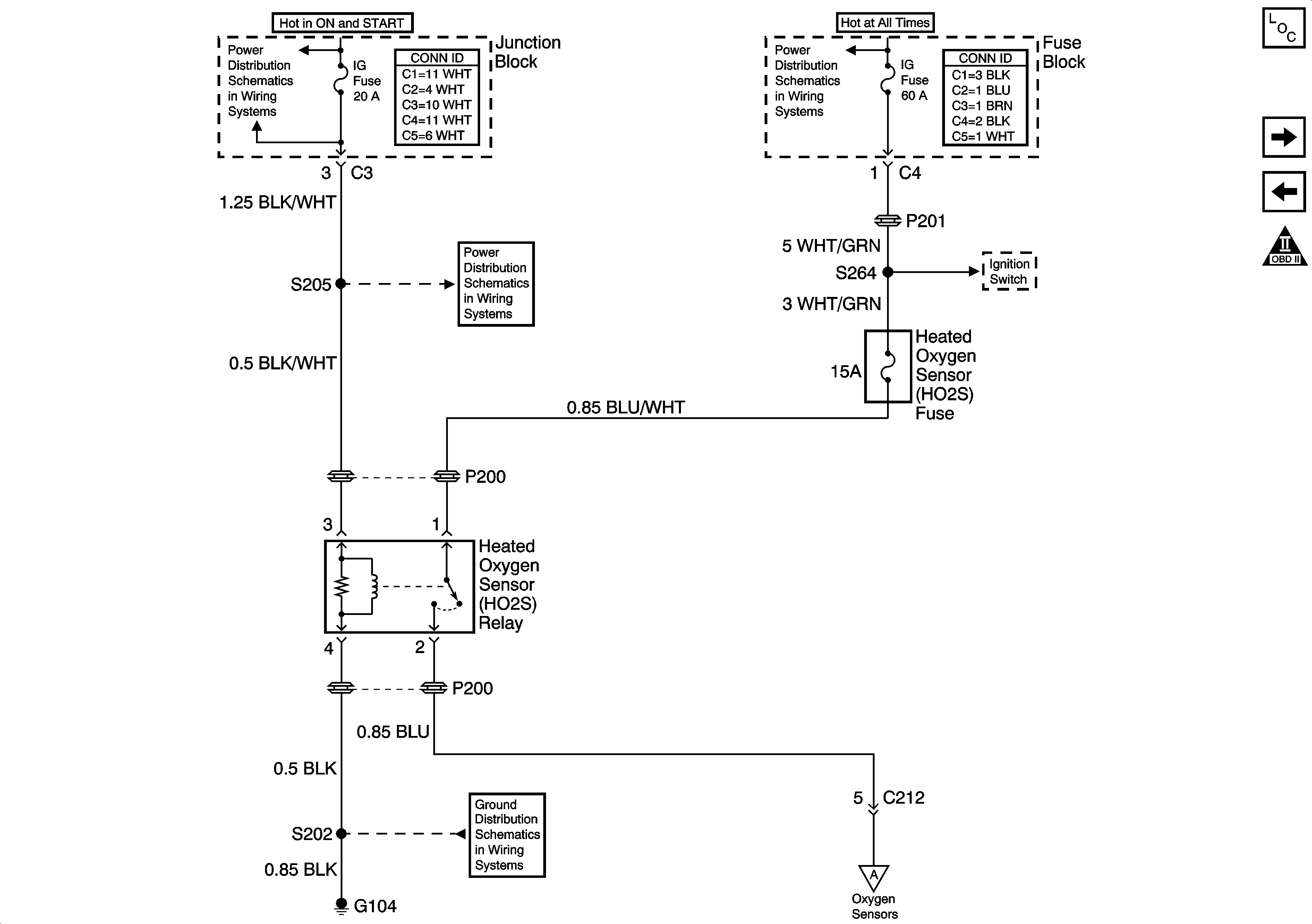
🢒 Heated Oxygen Sensor Fuse and Relay
Heated Oxygen Sensor Fuse and Relay
Heated Oxygen Sensor Fuse and Relay
Master Electrical Component List
Heated Oxygen Sensors
CKP Sensor, CMP Sensor
OBD II Symbol Description Notice
H/L, HTR, IG, and Lamp Fuses
H/L, HTR, IG, and Lamp Fuses
G104
IG Fuse
IG Fuse