GM Service Manual Online
For 1990-2009 cars only
Makes
🢒
Chevrolet
🢒
2001
🢒
Tracker - 2WD
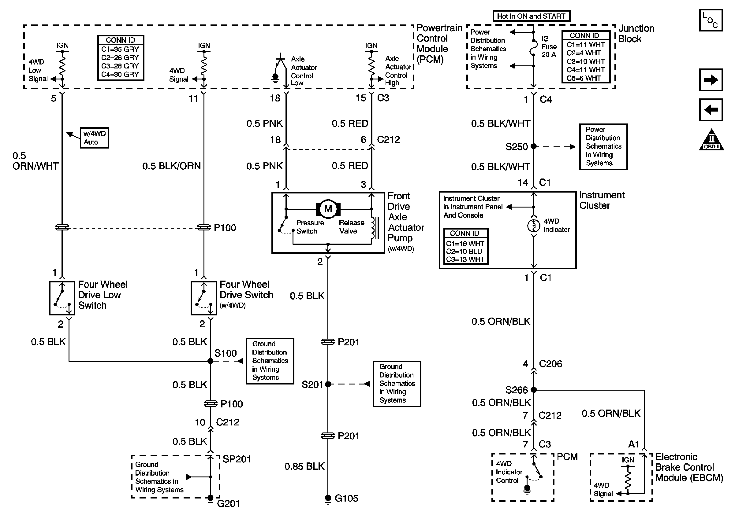
🢒 Four Wheel Drive Switches, Front Drive Axle Actuator Pump
Four Wheel Drive Switches, Front Drive Axle Actuator Pump
Four Wheel Drive Switches, Front Drive Axle Actuator Pump
Master Electrical Component List
Stoplamp Switch, Transmission Range Switch
Transmission Range Switch
OBD II Symbol Description Notice
IG, Turn and WIP Fuses
H/L, HTR, IG, and Lamp Fuses
Instrument Cluster Indicators
G105
G201
G201