GM Service Manual Online
For 1990-2009 cars only
Makes
🢒
Chevrolet
🢒
2002
🢒
Tracker - 2WD
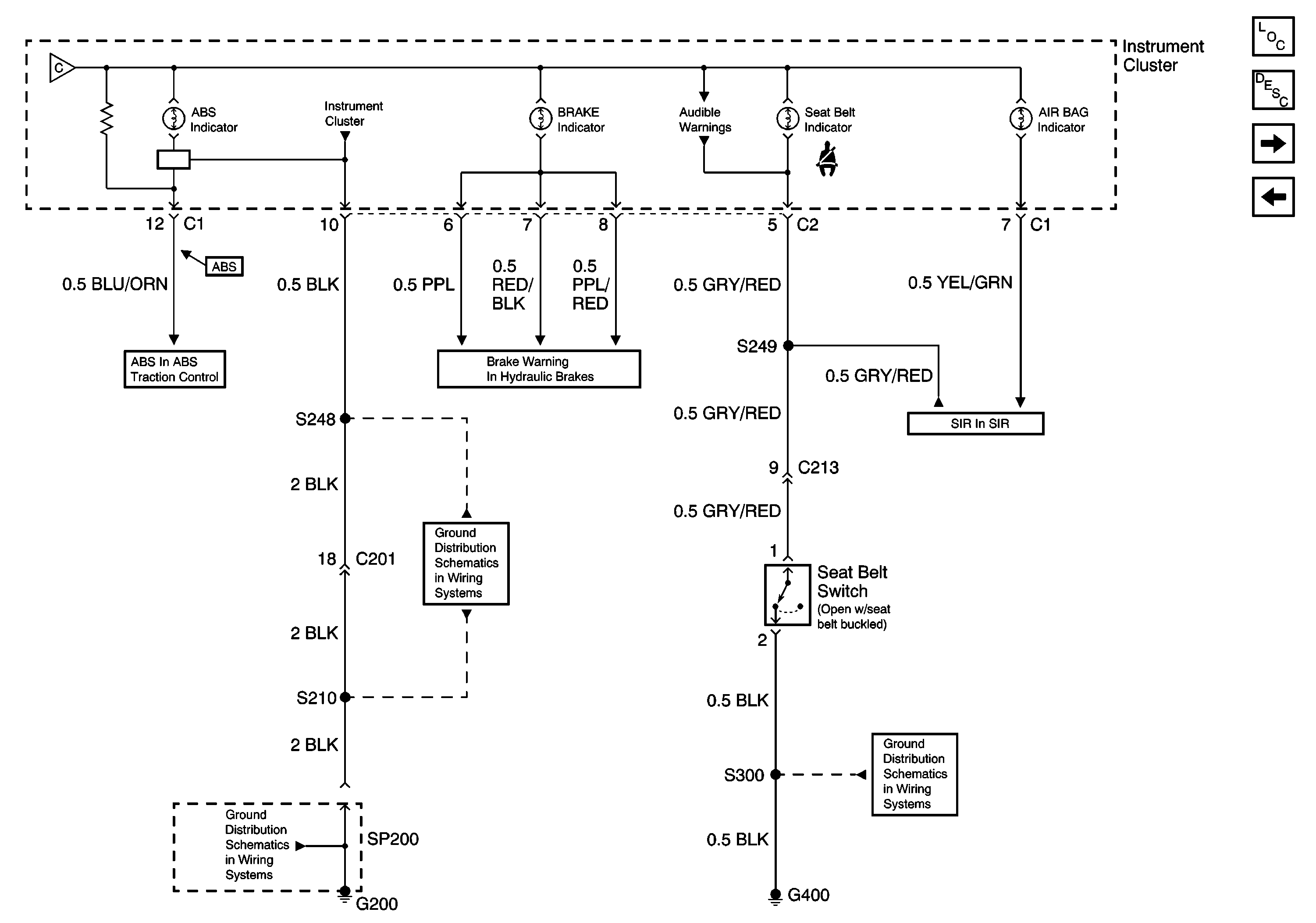
🢒 ABS Indicator, Brake Indicator, Air Bag Indicator
ABS Indicator, Brake Indicator, Air Bag Indicator
ABS Indicator, Brake Indicator, Air Bag Indicator
Master Electrical Component List
Instrument Cluster Description and Operation
Turn Indicators, High-Beam Indicator
Speedometer
NO TITLE SIR
G400 and G401
NO TITLE BRAKES
G200 (1 of 2)
G200 (1 of 2)
Brake Pressure Modulator Valve
Speedometer