GM Service Manual Online
For 1990-2009 cars only
Makes
🢒
Chevrolet
🢒
2003
🢒
Tracker - 2WD
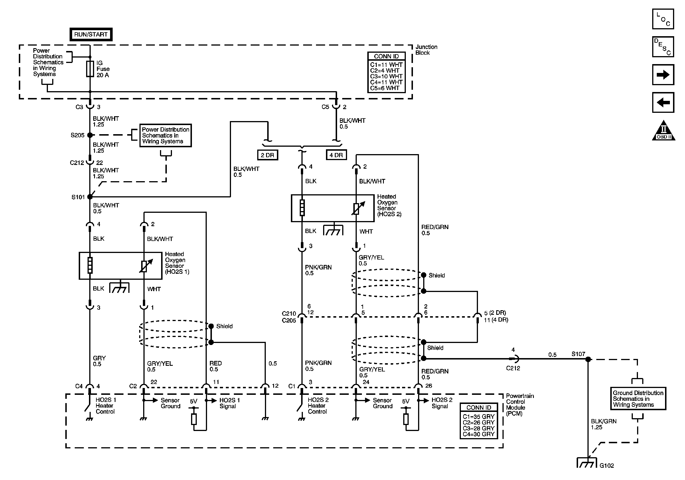
🢒 Heated Oxygen Sensors (HO2S)
Heated Oxygen Sensors (HO2S)
Heated Oxygen Sensors (HO2S)
Master Electrical Component List
Clutch Pedal Position switch (CPP), Transmission Range Switch
Crankshaft Position (CKP) Sensor, Camshaft Position (CMP) Sensor, Knock Sensor
OBD II Symbol Description Notice
IG Fuse
IG Fuse
G100, G101, G102