GM Service Manual Online
For 1990-2009 cars only
Makes
🢒
Chevrolet
🢒
2003
🢒
Tracker - 2WD
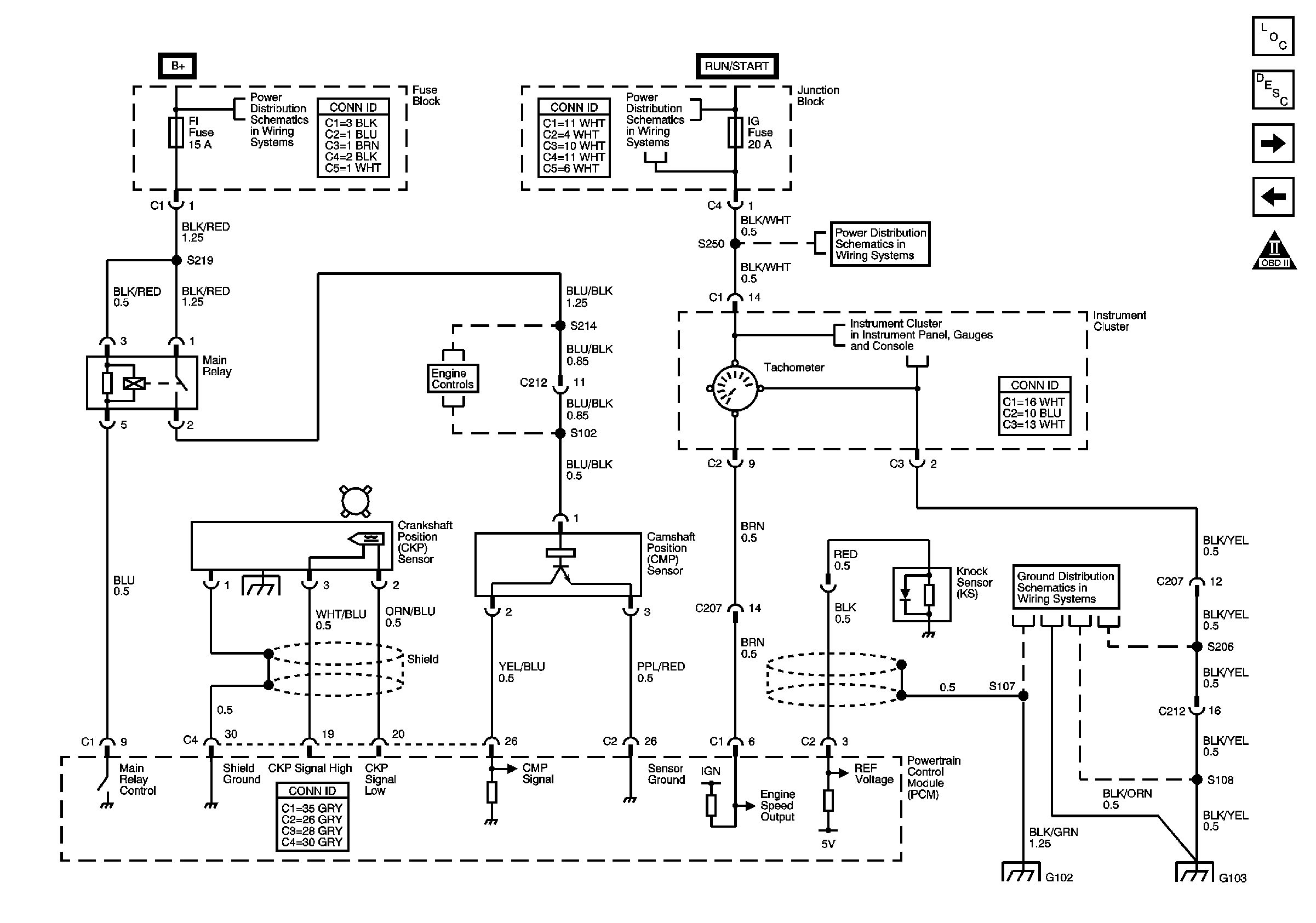
🢒 Crankshaft Position (CKP) Sensor, Camshaft Position (CMP) Sensor, Knock Sensor
Crankshaft Position (CKP) Sensor, Camshaft Position (CMP) Sensor, Knock Sensor
Crankshaft Position (CKP) Sensor, Camshaft Position (CMP) Sensor, Knock Sensor (KS)
Master Electrical Component List
Heated Oxygen Sensors (HO2S)
Fuel Pump Relay, Fuel Sender Assembly
OBD II Symbol Description Notice
BATT, ABS, FI, ACC Fuses
IG Fuse
IG Fuse
Oil Pressure Indicator, ECT, Fuel Gauges, Tachometer
G100, G101, G102