GM Service Manual Online
For 1990-2009 cars only
Makes
🢒
Chevrolet
🢒
2003
🢒
Tracker - 2WD
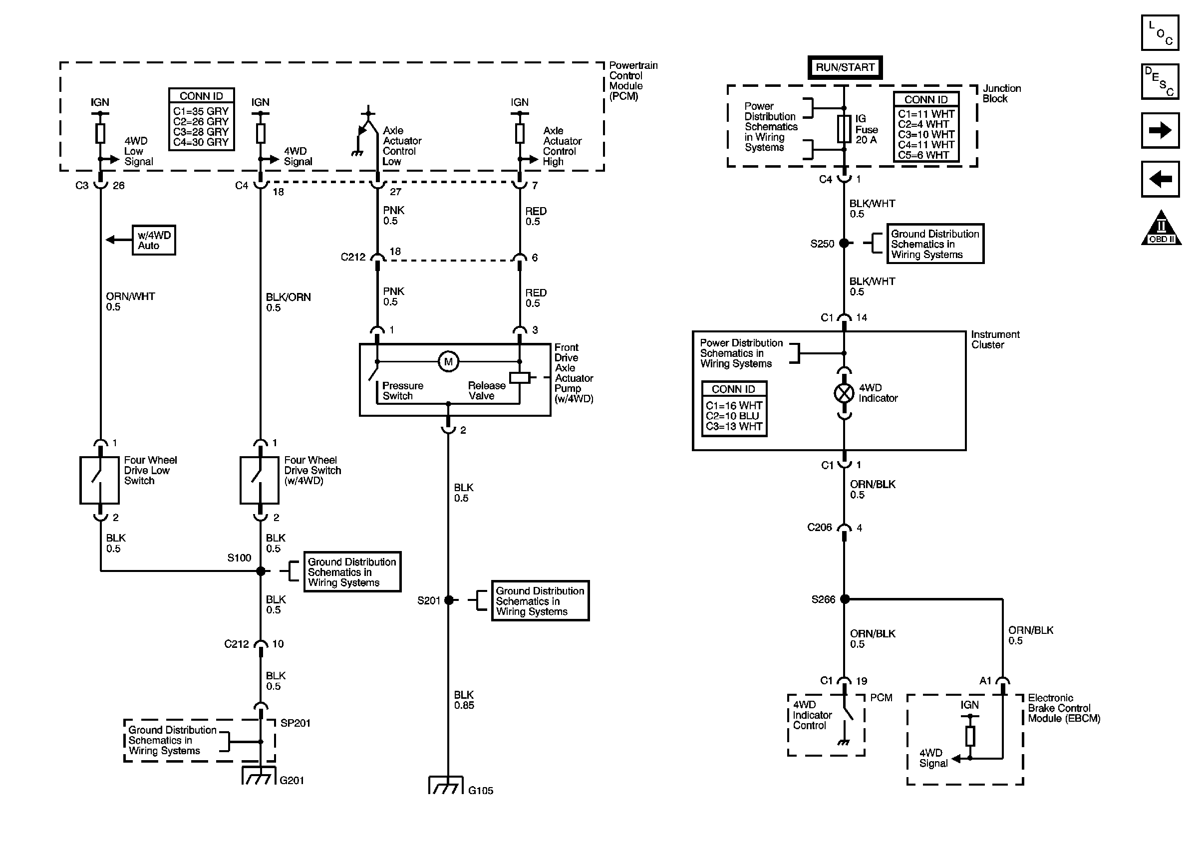
🢒 Four Wheel Drive Switches, Front Drive Axle Actuator Pump
Four Wheel Drive Switches, Front Drive Axle Actuator Pump
Four Wheel Drive Switches, Front Drive Axle Actuator Pump
Master Electrical Component List
Stoplamp Switch, Transmission Range Switch
Clutch Pedal Position switch (CPP), Transmission Range Switch
OBD II Symbol Description Notice
G201
G201
G105
IG Fuse
IG Fuse
TURN, WIP Fuses