GM Service Manual Online
For 1990-2009 cars only
Makes
🢒
Chevrolet
🢒
2003
🢒
Tracker - 2WD
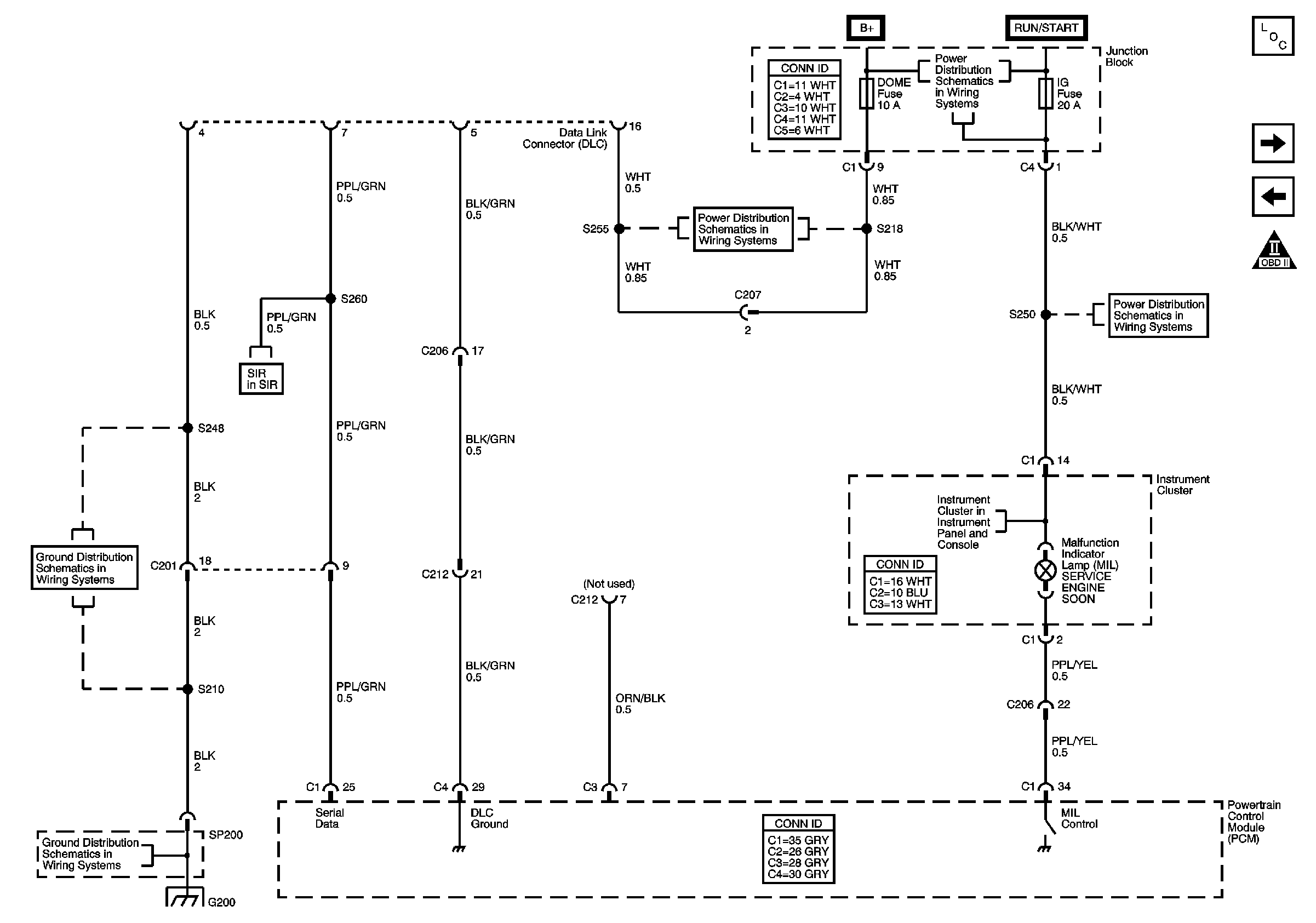
🢒 Data Link Connector (DLC) and Malfunction Indicator Lamp (MIL)
Data Link Connector (DLC) and Malfunction Indicator Lamp (MIL)
Data Link Connector (DLC) and Malfunction Indicator Lamp (MIL)
Master Electrical Component List
Exhaust Gas Recirculation (EGR) Valve, EVAP Solenoids
Main Relay, Powertrain Control Module (PCM) Power and Ground
OBD II Symbol Description Notice
S248
G200
SIR Schematics
HAZ, D/L, TAIL, STOP, DOME Fuses
HAZ, D/L, TAIL, STOP, DOME Fuses
IG Fuse
IG Fuse
Power, O/D OFF, 4WD, MIL, CRUISE, Charge Indicators