GM Service Manual Online
For 1990-2009 cars only
Makes
🢒
Chevrolet
🢒
2003
🢒
Tracker - 2WD
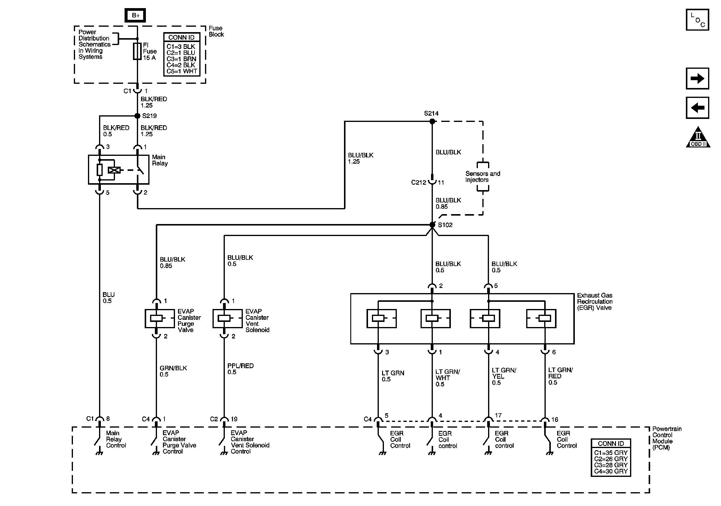
🢒 Exhaust Gas Recirculation (EGR) Valve, EVAP Solenoids
Exhaust Gas Recirculation (EGR) Valve, EVAP Solenoids
Exhaust Gas Recirculation (EGR) and EVAP Solenoids
Master Electrical Component List
Idle Air Control (IAC) Valve, Mass Air Flow (MAF) Sensor, Vehicle Speed Sensor
Data Link Connector (DLC) and Malfunction Indicator Lamp (MIL)
OBD II Symbol Description Notice
BATT, ABS, FI, ACC Fuses