GM Service Manual Online
For 1990-2009 cars only
Makes
🢒
Chevrolet
🢒
2003
🢒
Tracker - 2WD
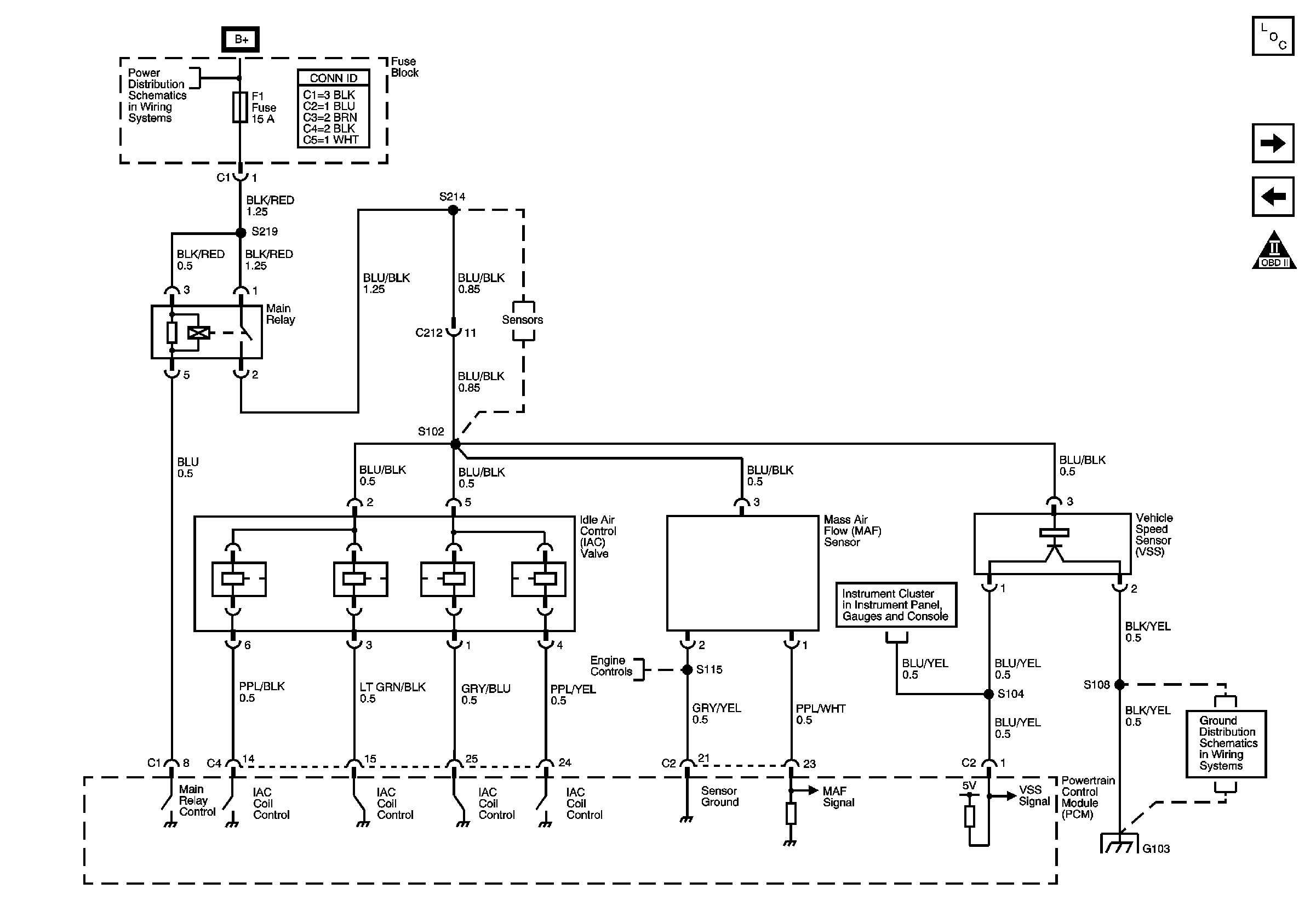
🢒 Idle Air Control (IAC) Valve, Mass Air Flow (MAF) Sensor, Vehicle Speed Sensor
Idle Air Control (IAC) Valve, Mass Air Flow (MAF) Sensor, Vehicle Speed Sensor
Idle Air Control (IAC) Valve, Mass Air Flow (MAF) Sensor, Vehicle Speed Sensor (VSS)
Master Electrical Component List
Ignition Coils
Exhaust Gas Recirculation (EGR) Valve, EVAP Solenoids
OBD II Symbol Description Notice
BATT, ABS, FI, ACC Fuses
Cruice Control Servo, Vehicle Speed Sensor (VSS)
G103