GM Service Manual Online
For 1990-2009 cars only
Makes
🢒
Chevrolet
🢒
2003
🢒
Tracker - 2WD
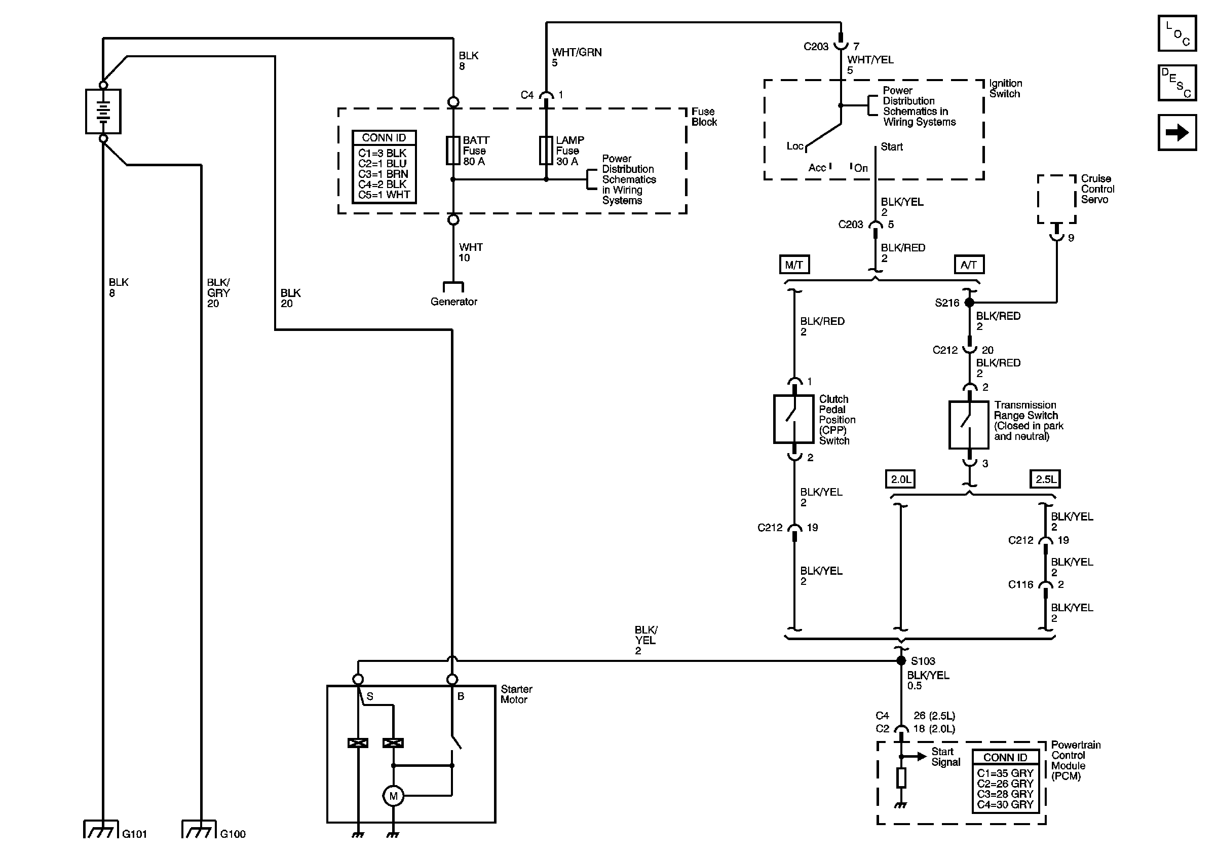
🢒 Starting System
Starting System
Starting System
Master Electrical Component List
Starting System Description and Operation
Charging System
H/L, L, H/L, R, HTR, IG, LAMP Fuses
Ignition Switch
Cruise Control Servo, Transmission Range Switch, Cruise Control Release Switch