GM Service Manual Online
For 1990-2009 cars only
Makes
🢒
Chevrolet
🢒
2003
🢒
Tracker - 2WD
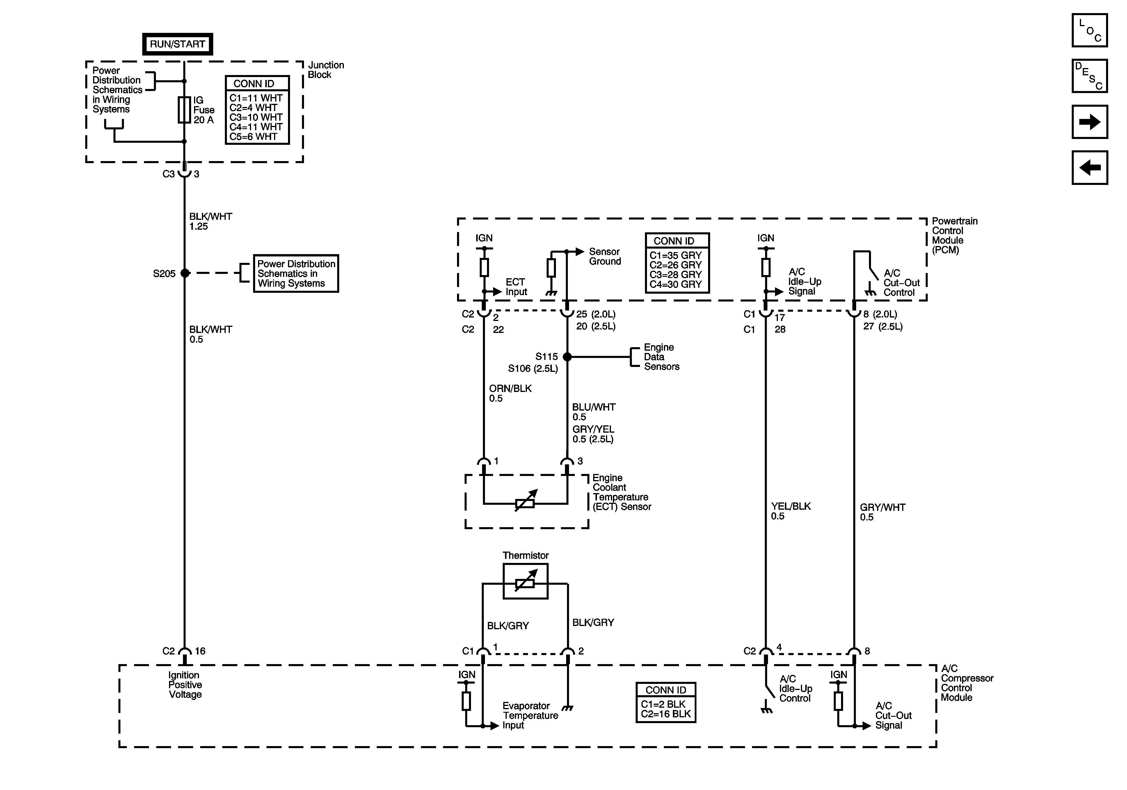
🢒 ECT Sensor, Evaporator Temperature Sensor,A/C Compressor Control Module
ECT Sensor, Evaporator Temperature Sensor,A/C Compressor Control Module
ECT Sensor, Evaporator Temperature Sensor, A/C Compressor Control Module
Master Electrical Component List
Air Temperature Description and Operation
A/C Compressor Control Module, Refrigerant Pressure Switch, A/C Switch
Blower Control with A/C
IG Fuse
IG Fuse