GM Service Manual Online
For 1990-2009 cars only
Makes
🢒
Chevrolet
🢒
2003
🢒
Tracker - 2WD
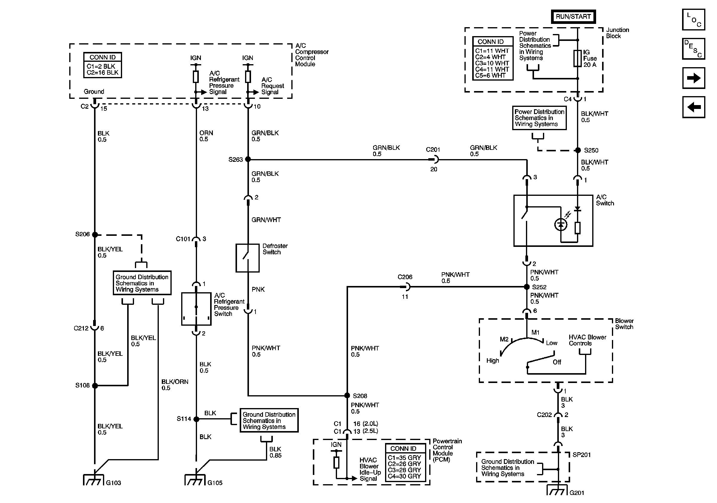
🢒 A/C Compressor Control Module,Refrigerant Pressure Switch,A/C Switch
A/C Compressor Control Module,Refrigerant Pressure Switch,A/C Switch
A/C Compressor Control Module, Refrigerant Pressure Switch, A/C Switch, Defroster Switch, Blower Switch
Master Electrical Component List
Air Temperature Description and Operation
A/C Condenser Fan Control
ECT Sensor, Evaporator Temperature Sensor, A/C Compressor Control Module
G103
G105
TURN, WIP Fuses
TURN, WIP Fuses
G201