GM Service Manual Online
For 1990-2009 cars only
Makes
🢒
Chevrolet
🢒
2003
🢒
Tracker - 2WD
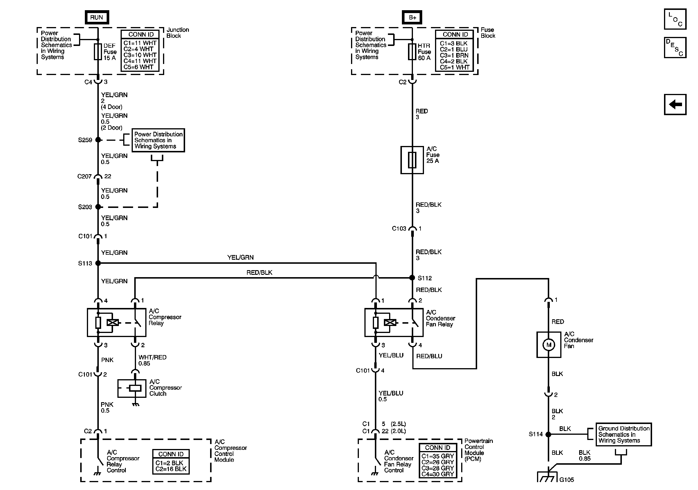
🢒 A/C Condenser Fan Control
A/C Condenser Fan Control
A/C Condenser Fan Control
Master Electrical Component List
Air Temperature Description and Operation
A/C Compressor Control Module, Refrigerant Pressure Switch, A/C Switch
CIG, DEF, P/W Fuses
CIG, DEF, P/W Fuses
H/L, L, H/L, R, HTR, IG, LAMP Fuses
G105