GM Service Manual Online
For 1990-2009 cars only
Makes
🢒
Chevrolet
🢒
2003
🢒
Tracker - 2WD
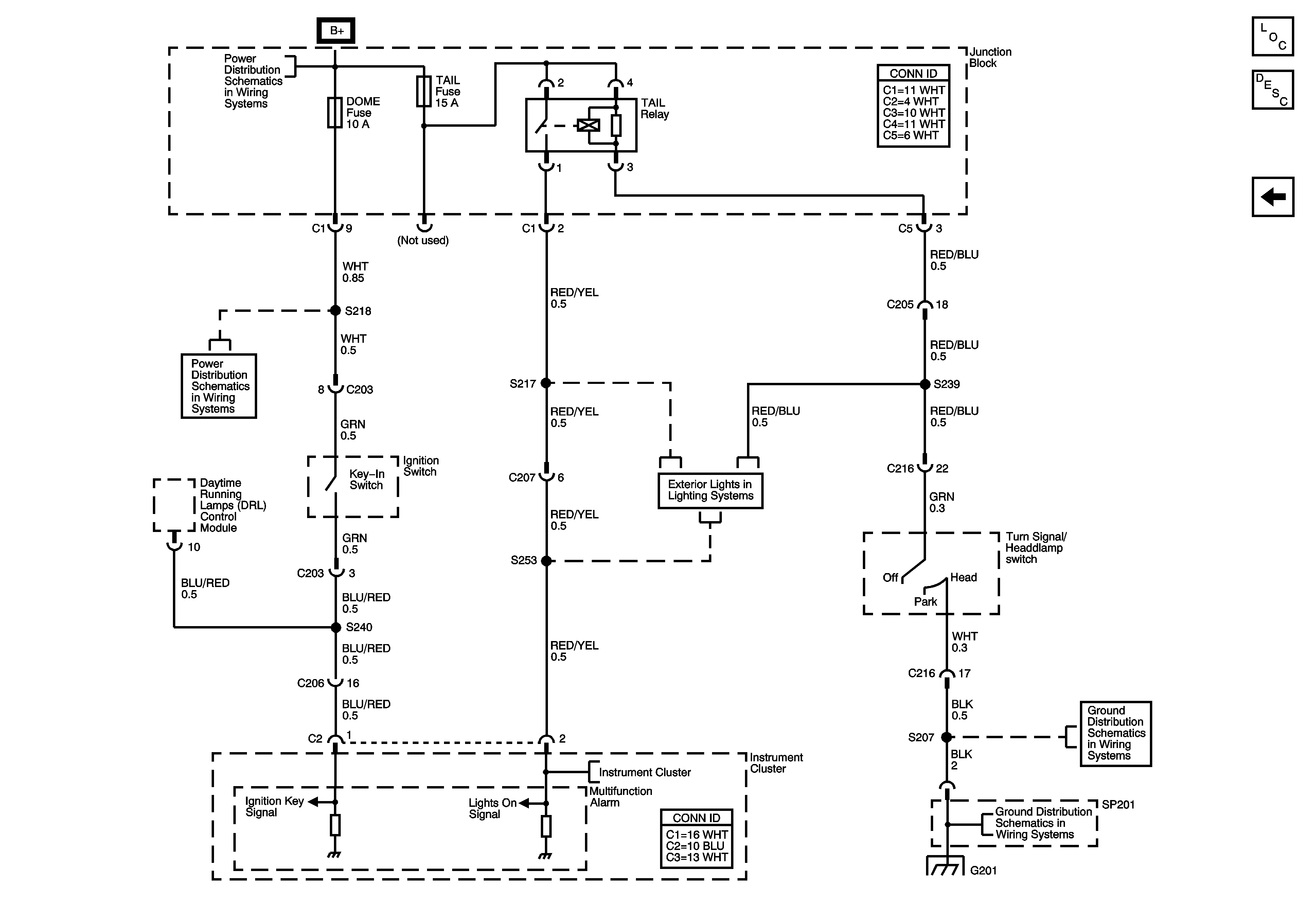
🢒 Multifunction Alarm Module, Ignition Key-In Signal, Lights On Signal
Multifunction Alarm Module, Ignition Key-In Signal, Lights On Signal
Multifunction Alarm Module, Ignition Key-In Signal, Lights On Signal
Master Electrical Component List
Audible Warnings Description and Operation
Multifunction Alarm Module, Seat Belt Signal, Door Open Signal
HAZ, D/L, TAIL, STOP, DOME Fuses
HAZ, D/L, TAIL, STOP, DOME Fuses
Daytime Running Lamps Control Module, Power and Ground
Headlamps, Headlamp Switch, DRL Diode
S207
G201