GM Service Manual Online
For 1990-2009 cars only
Makes
🢒
Chevrolet
🢒
2003
🢒
Tracker - 2WD
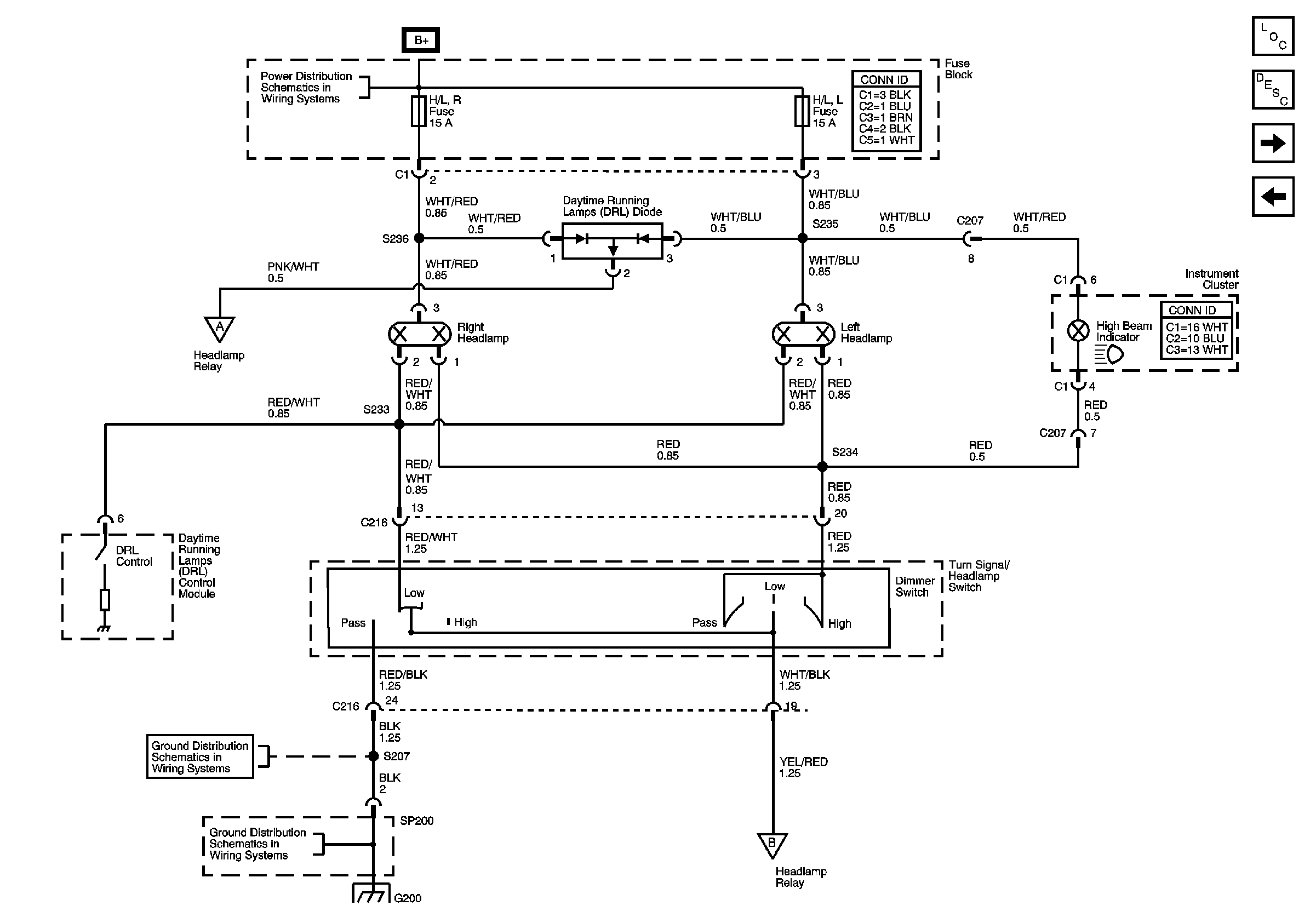
🢒 Headlamps, Headlamp Switch, DRL Diode
Headlamps, Headlamp Switch, DRL Diode
Headlamps, Headlamp Switch, DRL Diode
Master Electrical Component List
Exterior Lighting Systems Description and Operation
Headlamp Relay, Headlamp Switch, Ambient Light Sensor, Park Brake Switch
Daytime Running Lamps Control Module, Power and Ground
H/L, L, H/L, R, HTR, IG, LAMP Fuses
S207
G200