GM Service Manual Online
For 1990-2009 cars only
Makes
🢒
Chevrolet
🢒
2003
🢒
Tracker - 2WD
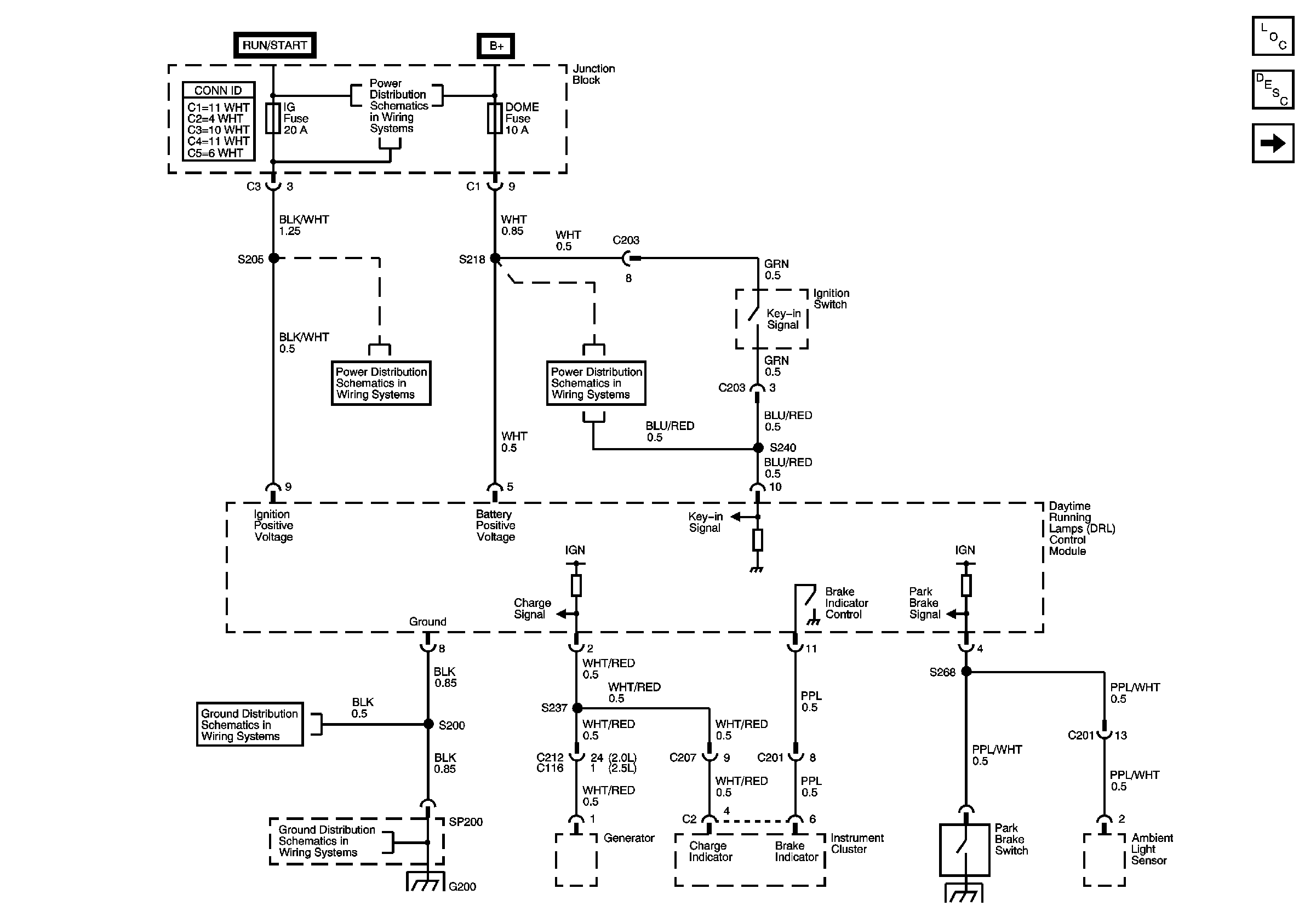
🢒 Daytime Running Lamps Control Module, Power and Ground
Daytime Running Lamps Control Module, Power and Ground
Daytime Running Lamps (DRL) Control Module Power and Ground
Master Electrical Component List
Exterior Lighting Systems Description and Operation
Headlamps, Headlamp Switch, DRL Diode
IG Fuse
HAZ, D/L, TAIL, STOP, DOME Fuses
IG Fuse
G200
G200
Ignition Switch
Charging System