GM Service Manual Online
For 1990-2009 cars only
Makes
🢒
Chevrolet
🢒
2004
🢒
Tracker - 2WD
🢒
Transmission/Transaxle
🢒
Shift Lock Control
🢒 Shift Lock Control Schematics
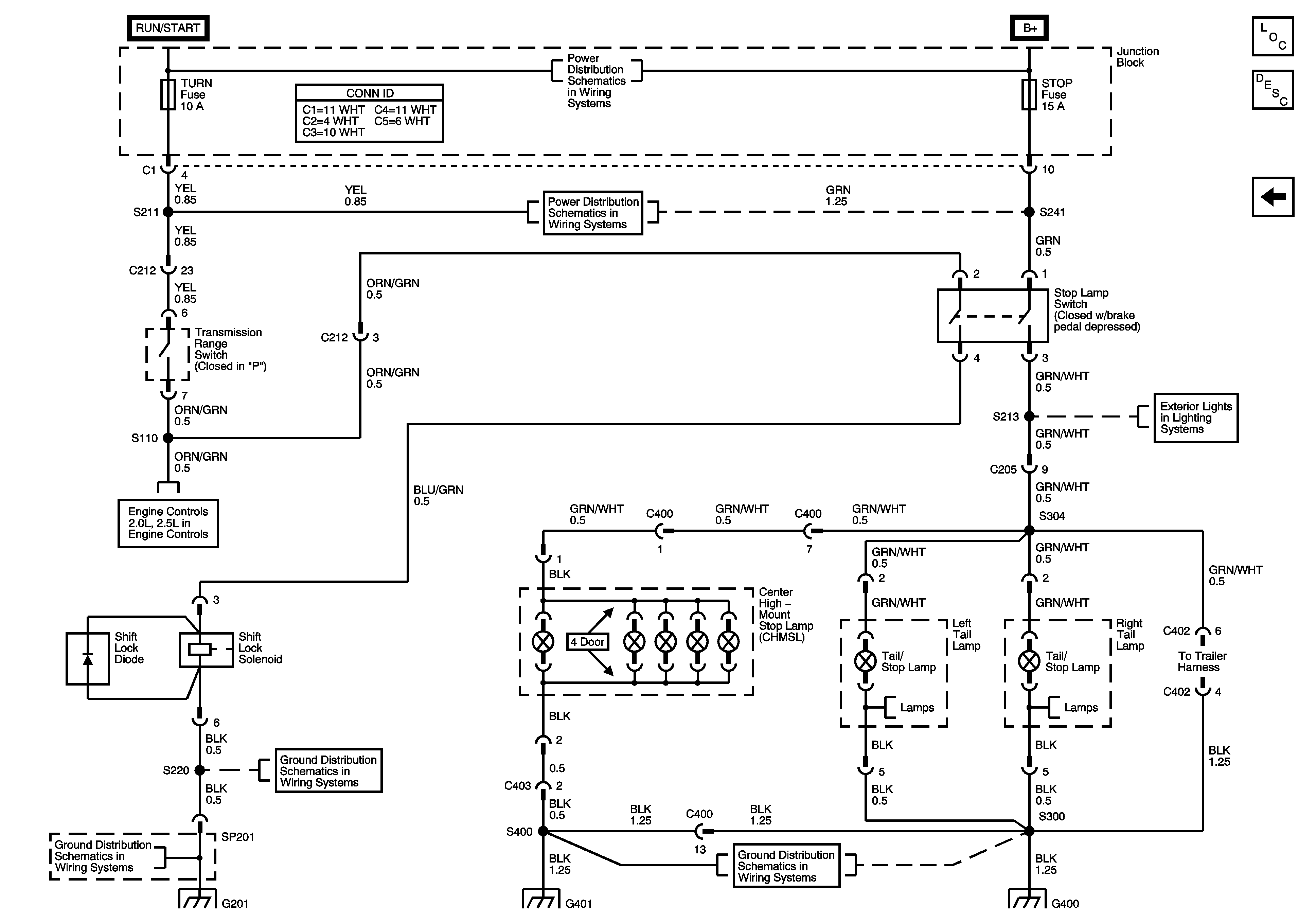
Figure
1:
Shiftlock Control with Cruise Control
Master Electrical Component List
Automatic Transmission Shift Lock Control Description and Operation
Shiftlock Control without Cruise Control
Stoplamp Switch and Transmission Range Switch
Stoplamp Switch, Transmission Range Switch
SP201 and G201
SP201 and G201
TURN and WIP Fuses
HAZ, D/L, TAIL, STOP and DOME Fuses
TURN and WIP Fuses
HAZ, D/L, TAIL, STOP and DOME Fuses
Stoplamps
G105
Figure
2:
Shiftlock Control without Cruise Control
Master Electrical Component List
Automatic Transmission Shift Lock Control Description and Operation
Shiftlock Control with Cruise Control
Stoplamp Switch and Transmission Range Switch
Stoplamp Switch, Transmission Range Switch
SP201 and G201
SP201 and G201
TURN and WIP Fuses
HAZ, D/L, TAIL, STOP and DOME Fuses
TURN and WIP Fuses
HAZ, D/L, TAIL, STOP and DOME Fuses
Stoplamps
G400 and G401