GM Service Manual Online
For 1990-2009 cars only
Makes
🢒
Chevrolet
🢒
2004
🢒
Tracker - 2WD
🢒
Restraints
🢒
Seat Belts
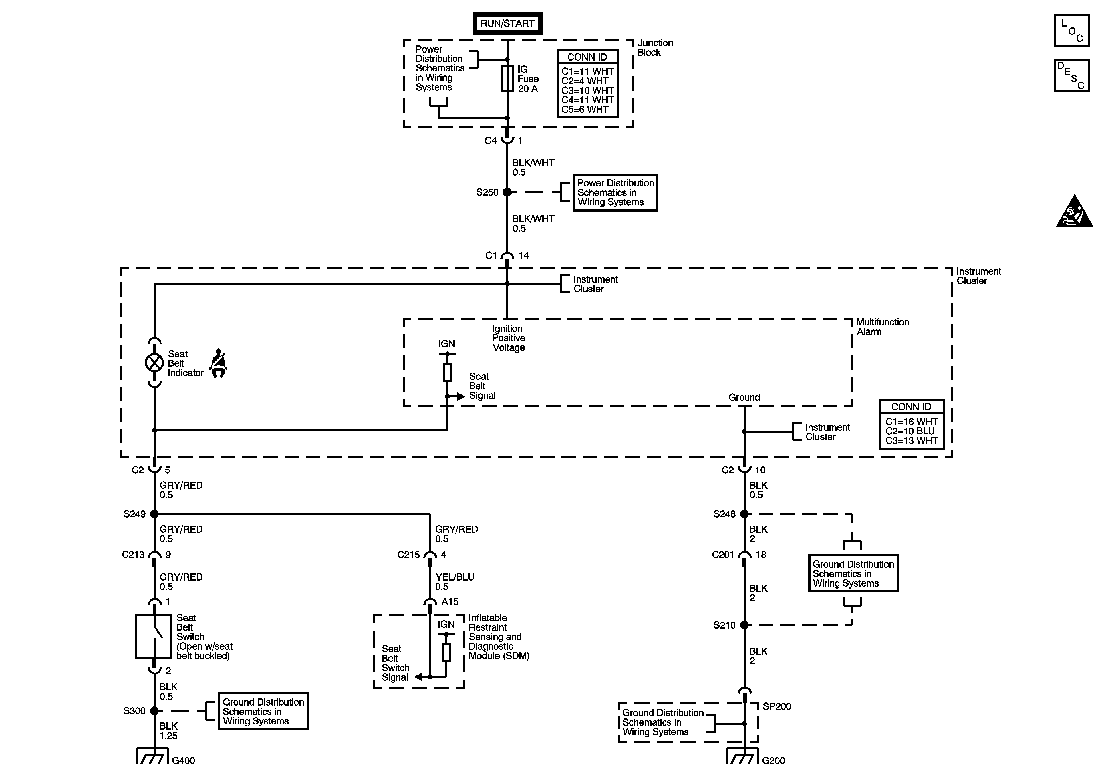
🢒 Seat Belt Schematics
Master Electrical Component List
Seat Belt System Description and Operation
SIR Caution for Zoning
IG Fuse, S205 and S101
TURN and WIP Fuses
Power, O/D OFF, 4WD, MIL, CRUISE, Charge Indicators
G400 and G401
S248
SP200 and G200