GM Service Manual Online
For 1990-2009 cars only
Makes
🢒
Chevrolet
🢒
2000
🢒
Tracker - 4WD
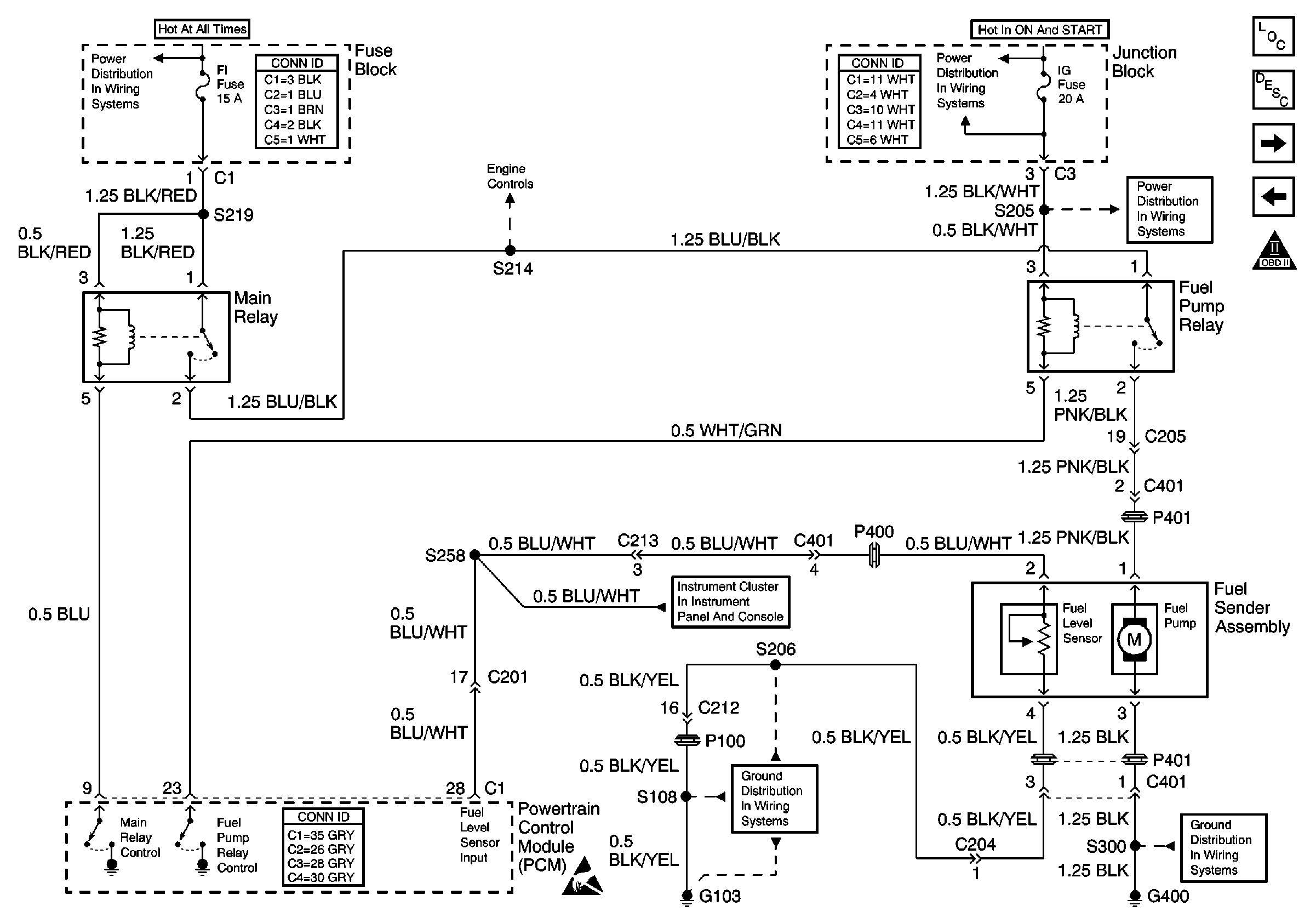
🢒 Fuel Supply System
Fuel Supply System
Fuel Supply System
Engine Controls Components
Fuel Injectors
CMP and CKP Sensors
Handling ESD Sensitive Parts Notice
G400 and G401
H/L, HTR, IG and LAMP Fuses
H/L, HTR, IG and LAMP Fuses
G103
(ECT, Fuel Gages, Tachometer and Oil Indicator)
Handling ESD Sensitive Parts Notice
BATT, ABS, FI and ACC Fuses