GM Service Manual Online
For 1990-2009 cars only
Makes
🢒
Chevrolet
🢒
2000
🢒
Tracker - 4WD
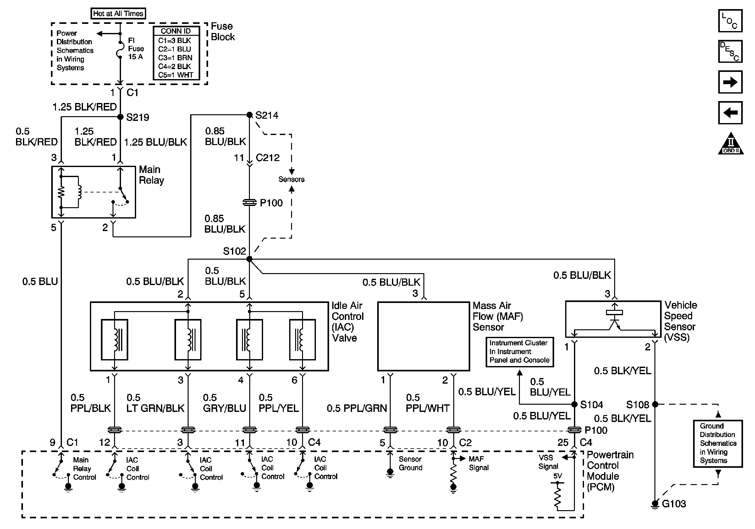
🢒 IAC, MAF Sensor and VSS
IAC, MAF Sensor and VSS
IAC, MAF Sensor and VSS
Engine Controls Components
EGR Valve and EVAP Controls
HO2S Sensors
Handling ESD Sensitive Parts Notice
G103
Handling ESD Sensitive Parts Notice
(VSS Circuit)
BATT, ABS, FI and ACC Fuses