GM Service Manual Online
For 1990-2009 cars only
Makes
🢒
Chevrolet
🢒
2000
🢒
Tracker - 4WD
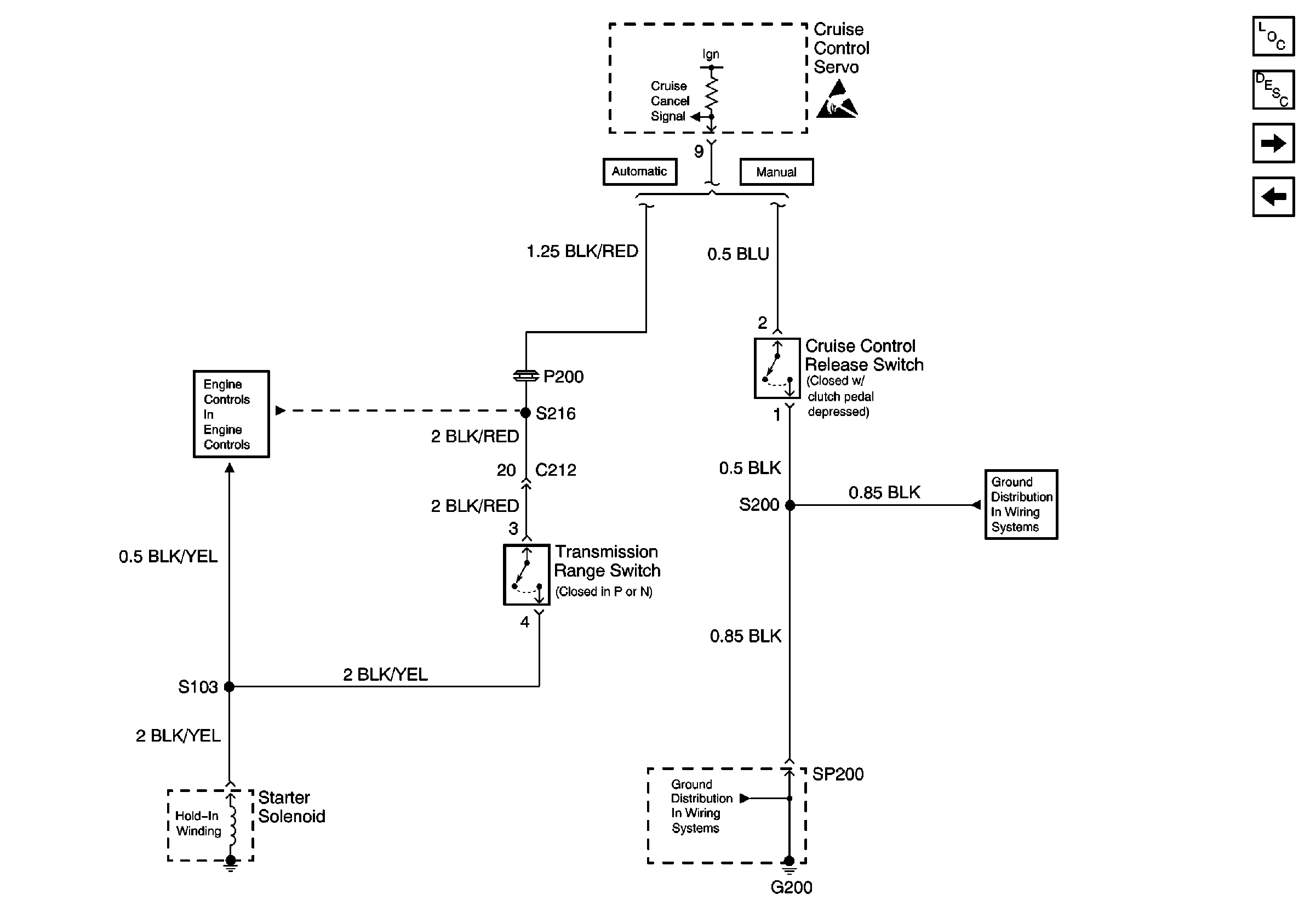
🢒 Cruise Control Release Switch and Transmission Range Switch
Cruise Control Release Switch and Transmission Range Switch
Cruise Control Release Switch and Transmission Range Switch
Cruise Control Components
Cruise Control System Circuit Description
Cruise Indicator, Main Cruise Control Switch and Mode Switch
Power, Ground and Stoplamp Switch
Handling ESD Sensitive Parts Notice
G200 (1 of 2)
G200 (1 of 2)
TR Switch and CPP Switch