GM Service Manual Online
For 1990-2009 cars only
Makes
🢒
Chevrolet
🢒
2000
🢒
Tracker - 4WD
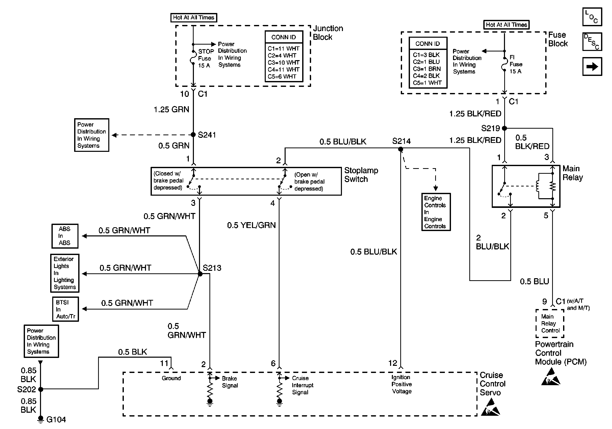
🢒 Power, Ground and Stoplamp Switch
Power, Ground and Stoplamp Switch
Power, Ground and Stoplamp Switch
Cruise Control Components
Cruise Control System Circuit Description
Cruise Control Release Switch and Transmission Range Switch
BATT, ABS, FI and ACC Fuses
Power and Ground
HAZ, D/L, TAIL, STOP and DOME Fuses
HAZ, D/L, TAIL, STOP and DOME Fuses
ABS Schematics
Stoplamps
G104
Handling ESD Sensitive Parts Notice
Handling ESD Sensitive Parts Notice