GM Service Manual Online
For 1990-2009 cars only
Makes
🢒
Chevrolet
🢒
2000
🢒
Tracker - 4WD
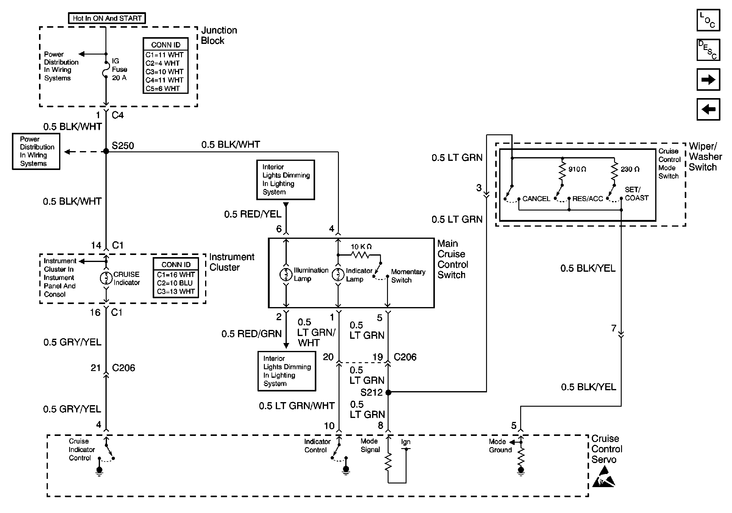
🢒 Cruise Indicator, Main Cruise Control Switch and Mode Switch
Cruise Indicator, Main Cruise Control Switch and Mode Switch
Cruise Indicator, Main Cruise Control Switch and Mode Switch
Cruise Control Components
Cruise Control System Circuit Description
(VSS Circuit)
Cruise Control Release Switch and Transmission Range Switch
Handling ESD Sensitive Parts Notice
Instrument Panel Lamp Dimmer Control and Lamps
Instrument Panel Lamp Dimmer Control and Lamps
IG, TURN and WIP Fuses
IG, TURN and WIP Fuses
(Engine Indicators)