GM Service Manual Online
For 1990-2009 cars only
Makes
🢒
Chevrolet
🢒
2002
🢒
TrailBlazer - 2WD
🢒
Body and Accessories
🢒
Doors
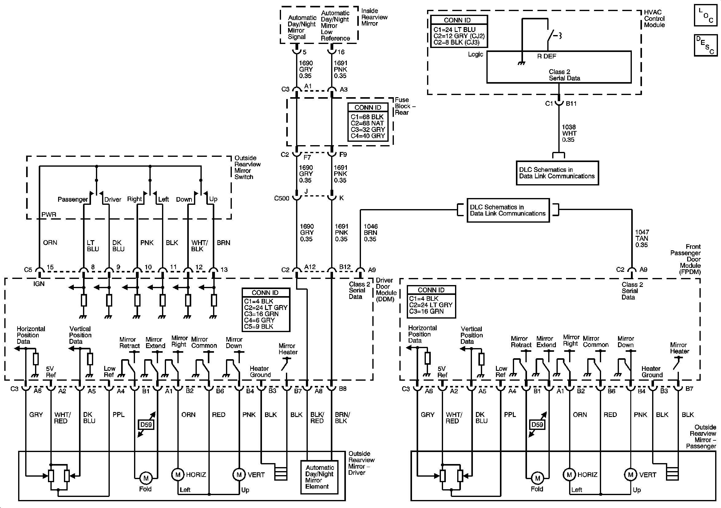
🢒 Outside Rearview Mirror Schematics
Master Electrical Component List
Outside Mirror Description and Operation Power Mirrors
DLC and SP205
SP206