GM Service Manual Online
For 1990-2009 cars only
Makes
🢒
Chevrolet
🢒
2007
🢒
Uplander Ext.
🢒
Diagnostic Navigation
🢒
Vehicle Diagnostic Information
🢒 Video System Schematics
Video System Schematics w/o UMS
Master Electrical Component List
Video Entertainment System Description and Operation
Control Module References
CNSTR/VENT, CLSTR/HVAC, INT/LAMP, ONSTAR, and RDO Fuses
Data Communication Schematics
DVD and Satellite Audio Sources
Rear Speakers
G201
Video System Schematics UMS
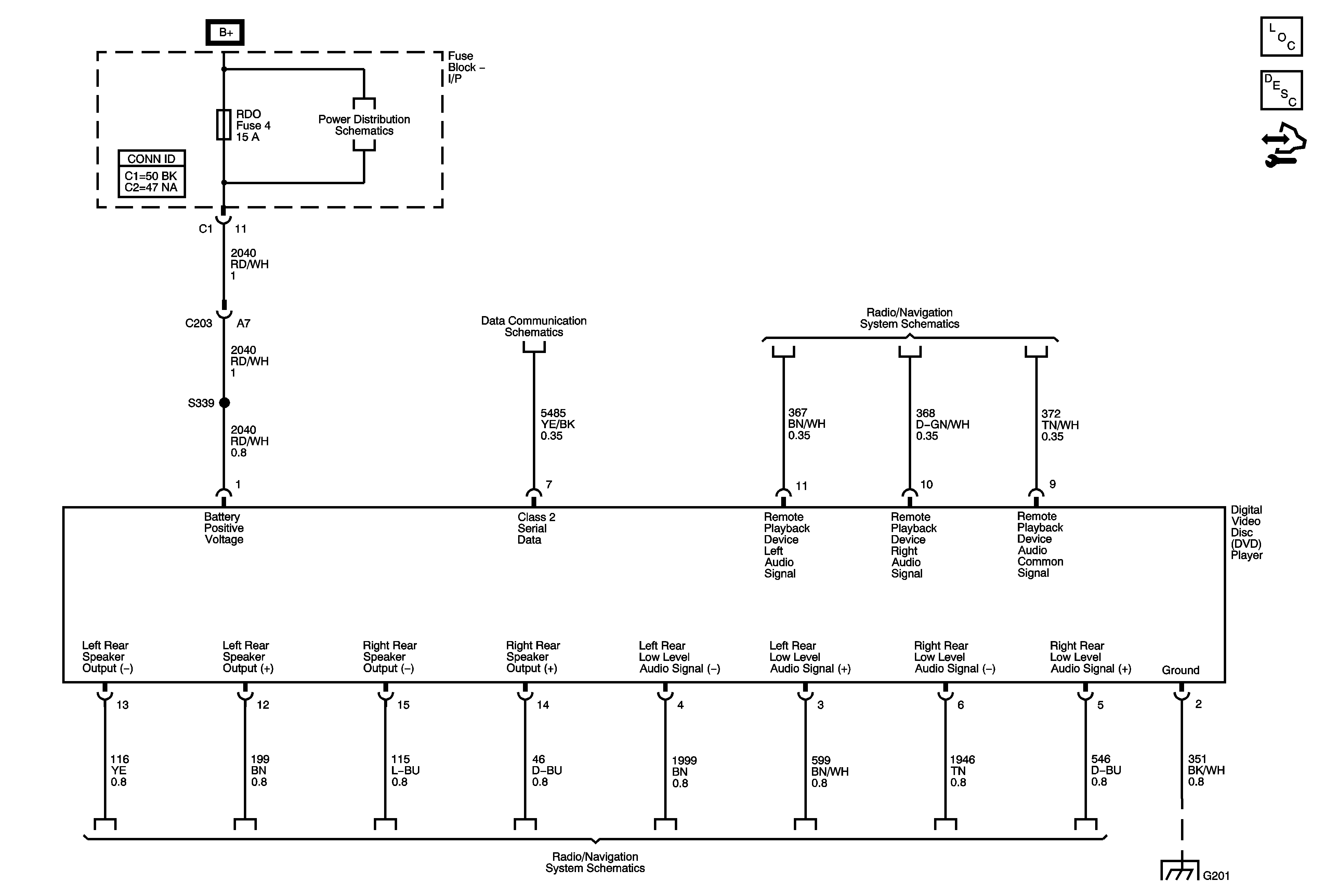
Figure
1:
Module Ground, Power, Serial Data and References to Radio/Navigation
Master Electrical Component List
Video Entertainment System Description and Operation
Control Module References
Hard Drive to DVD Player Interface
CNSTR/VENT, CLSTR/HVAC, INT/LAMP, ONSTAR, and RDO Fuses
Data Communication Schematics
DVD and Satellite Audio Sources
Rear Speakers
G201
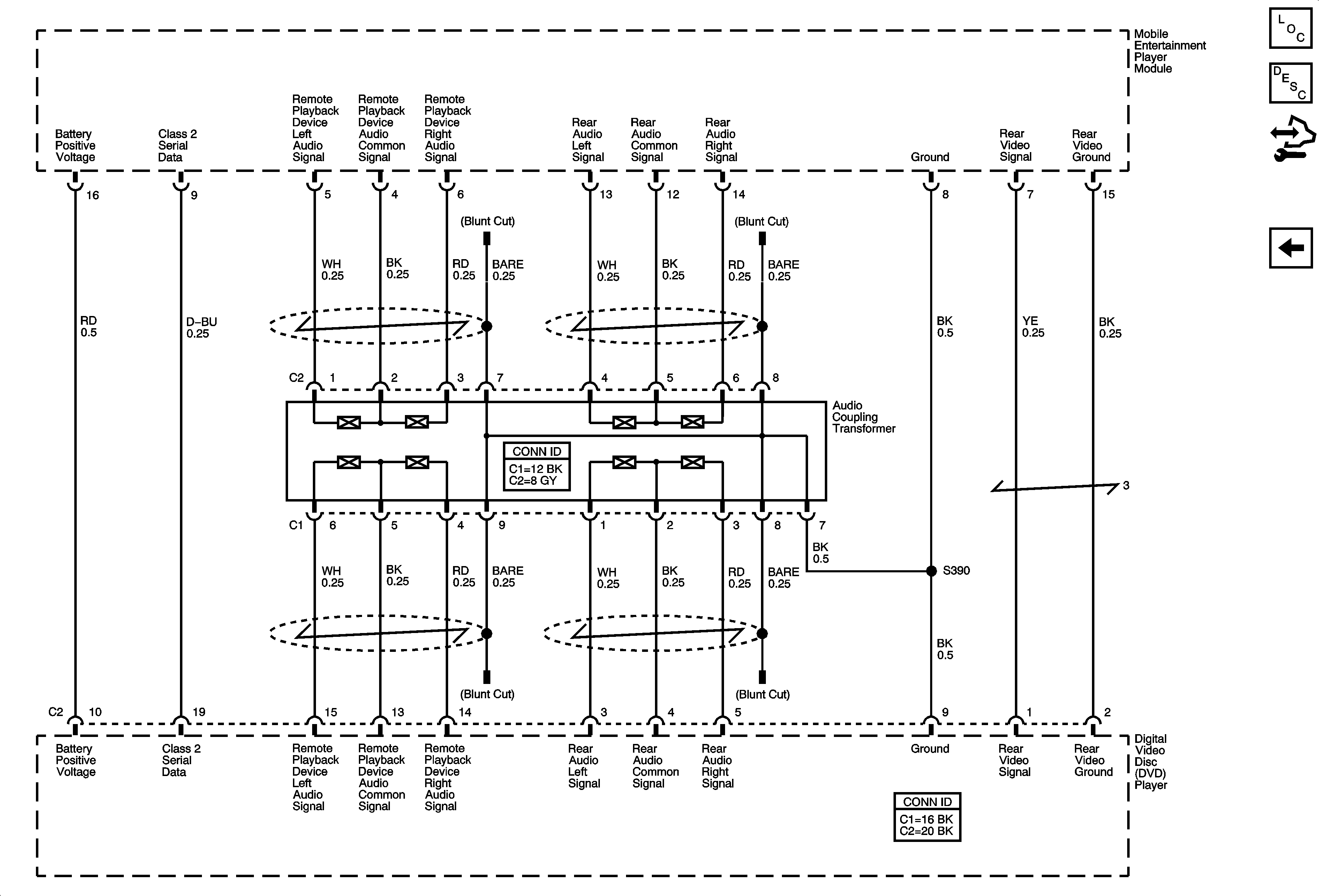
Figure
2:
Hard Drive to DVD Player Interface
Master Electrical Component List
Video Entertainment System Description and Operation
Control Module References
Module Ground, Power, Serial Data and References to Radio/Navigation