GM Service Manual Online
For 1990-2009 cars only
Makes
🢒
Chevrolet
🢒
2000
🢒
Venture
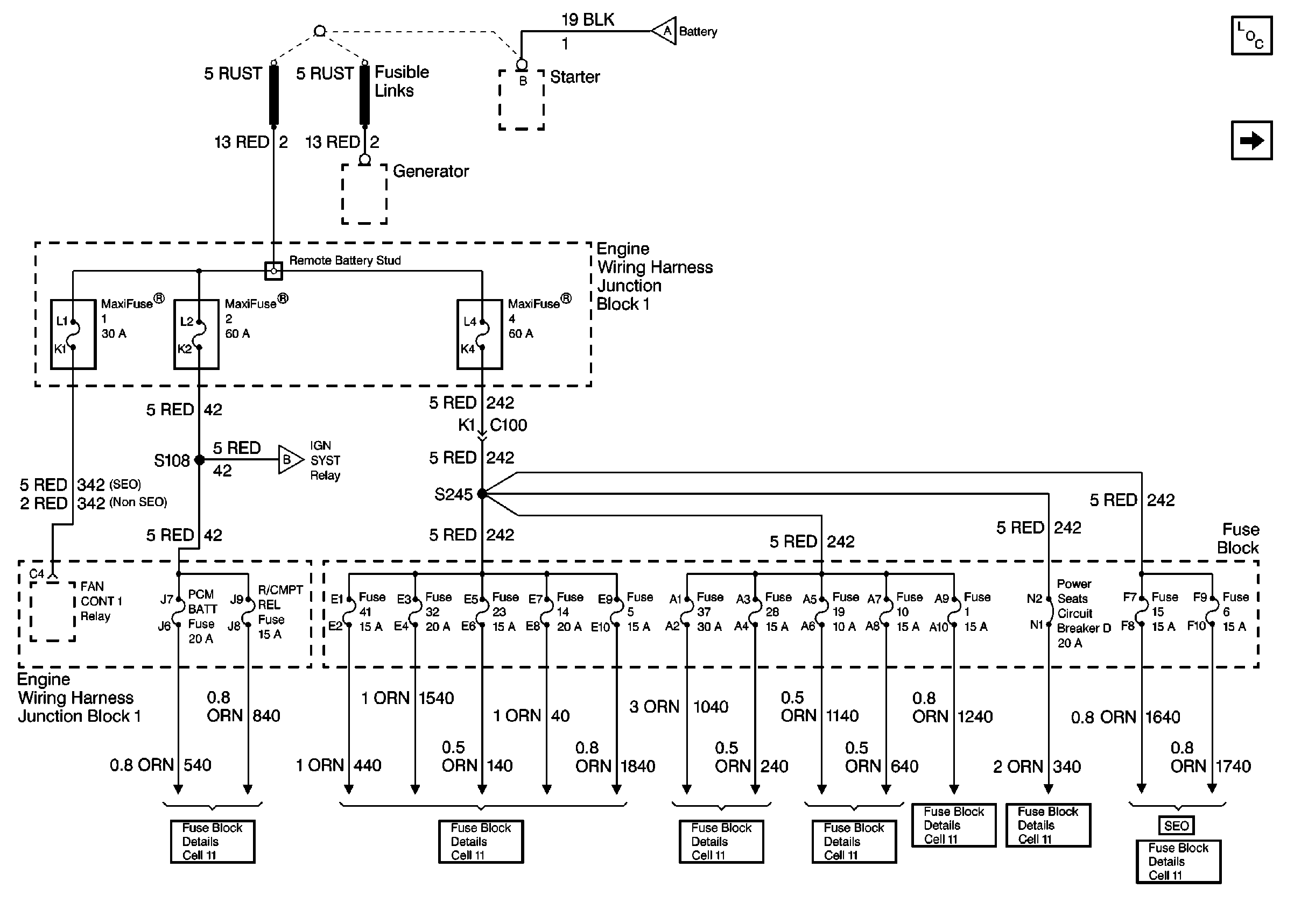
🢒 Cell 10: Generator, Starter, Fusible Links, MaxiFuse® 1, 2 and4
Cell 10: Generator, Starter, Fusible Links, MaxiFuse® 1, 2 and4
Cell 10: Generator, Starter, Fusible Links, MaxiFuse® 1, 2 and 4
Power and Grounding Components
Cell 10: Battery, Fusible Links (SEO), MaxiFuses®: ABS, HD LPS, IGN SW 1, and Fuses: ABS, FAN 3, HORN, PARK LPS
Cell 10: Battery, Fusible Links (SEO), MaxiFuses®: ABS, HD LPS, IGN SW 1, and Fuses: ABS, FAN 3, HORN, PARK LPS
Cell 11: PCM BAT, and R/CMPT REL Fuses
Cell 11: Hazard Flasher (5), HVAC Blower Motor (14), Stop Lamps (23),Power Locks (32), and Power Drop (41) Fuses
Cell 11: Cigar Lighter (1), Courtesy Lamps (28), and Rear Defog (37)Fuses
Cell 11: IP Electronics Battery (10), and Power Accessory No.1 (19)Fuses
Cell 11: Cigar Lighter (1), Courtesy Lamps (28), and Rear Defog (37)Fuses
Cell 11: Power Windows (C), Power Seats (D) Circuit Breakers, and STaRter Relay (7), STR Wheel Control NO.1 (16) Fuses
Cell 11: RH Spot Lamp (SEO) (6), LH Spot Lamp (SEO) (15), DRL MDL (33),and EVAP SOL (42) Fuses
Cell 10: Fuses 12, 21, 30, 33, 39, and 42