GM Service Manual Online
For 1990-2009 cars only
Makes
🢒
Chevrolet
🢒
2000
🢒
Venture
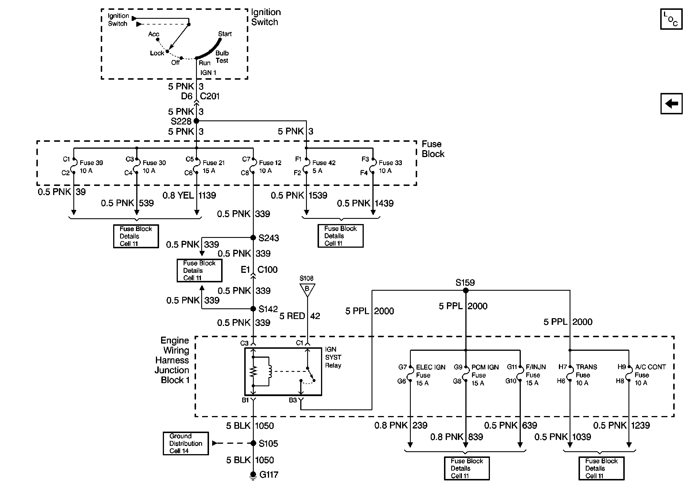
🢒 Cell 10: Fuses 12, 21, 30, 33, 39, and 42
Cell 10: Fuses 12, 21, 30, 33, 39, and 42
Cell 10: Fuses 12, 21, 30, 33, 39, and 42
Power and Grounding Components
Cell 10: Fuses 4, 7, 11, 13, 20, 22, 29, 38, and Circuit Breaker C
Cell 10: Fuses 4, 7, 11, 13, 20, 22, 29, 38, and Circuit Breaker C
Cell 10: Generator, Starter, Fusible Links, MaxiFuse® 1, 2 and4
Cell 11: RH Spot Lamp (SEO) (6), LH Spot Lamp (SEO) (15), DRL MDL (33),and EVAP SOL (42) Fuses
Cell 11: Anti-Theft PCM (12), Air Bag (21), Turn Signal (30), and IP Electronics Ignition Feed (39) Fuses
Cell 11: Anti-Theft PCM (12), Air Bag (21), Turn Signal (30), and IP Electronics Ignition Feed (39) Fuses
Cell 14: G117
Cell 11: ELEK IGN, F/INJN, and PCM IGN Fuses
Cell 11: A/C CONT, and TRANS Fuses