GM Service Manual Online
For 1990-2009 cars only
Makes
🢒
Chevrolet
🢒
2000
🢒
Venture
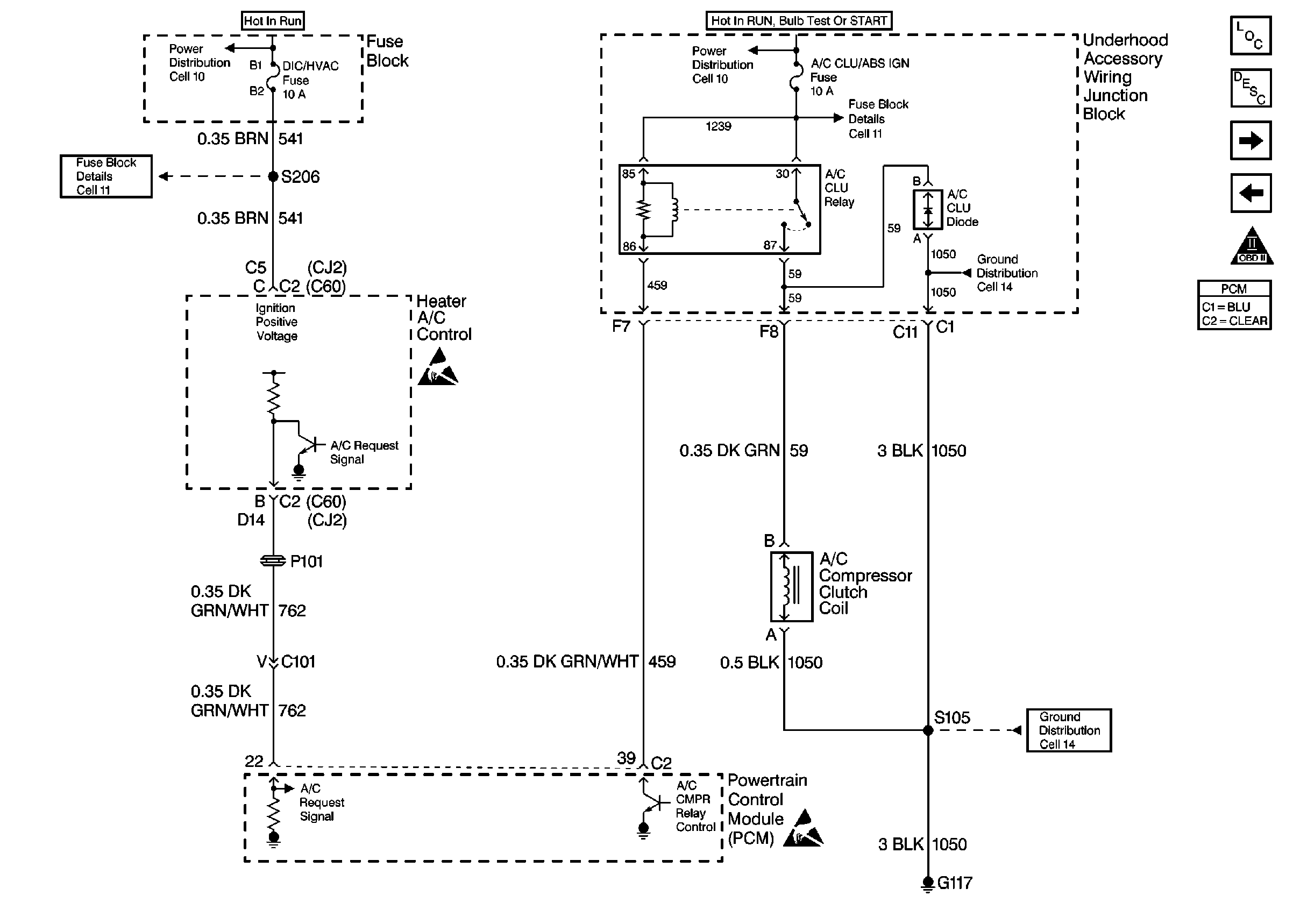
🢒 Cell 20: A/C Compressor Controls
Cell 20: A/C Compressor Controls
Cell 20: A/C Compressor Controls
Cell 11: DIC/HVAC and HVAC CTRL Fuses
Cell 10: IGN MAIN 2 MaxiFuse 60 A
Handling Electrostatic Discharge Sensitive Parts Notice
Handling Electrostatic Discharge Sensitive Parts Notice
OBDII Symbol Description Notice
Cell 20: Automatic Transaxle Solenoids, and TCC Switch
Cell 20: Cooling Fan Controls
Cell 14: Engine Ground G117
Cell 14: Engine Ground G117
Cell 11: TCC, ELEK IGN and A/C CLU/ABS IGN Fuses
Cell 10: Underhood Accessory Wiring Junction Block