GM Service Manual Online
For 1990-2009 cars only
Makes
🢒
Chevrolet
🢒
2000
🢒
Venture
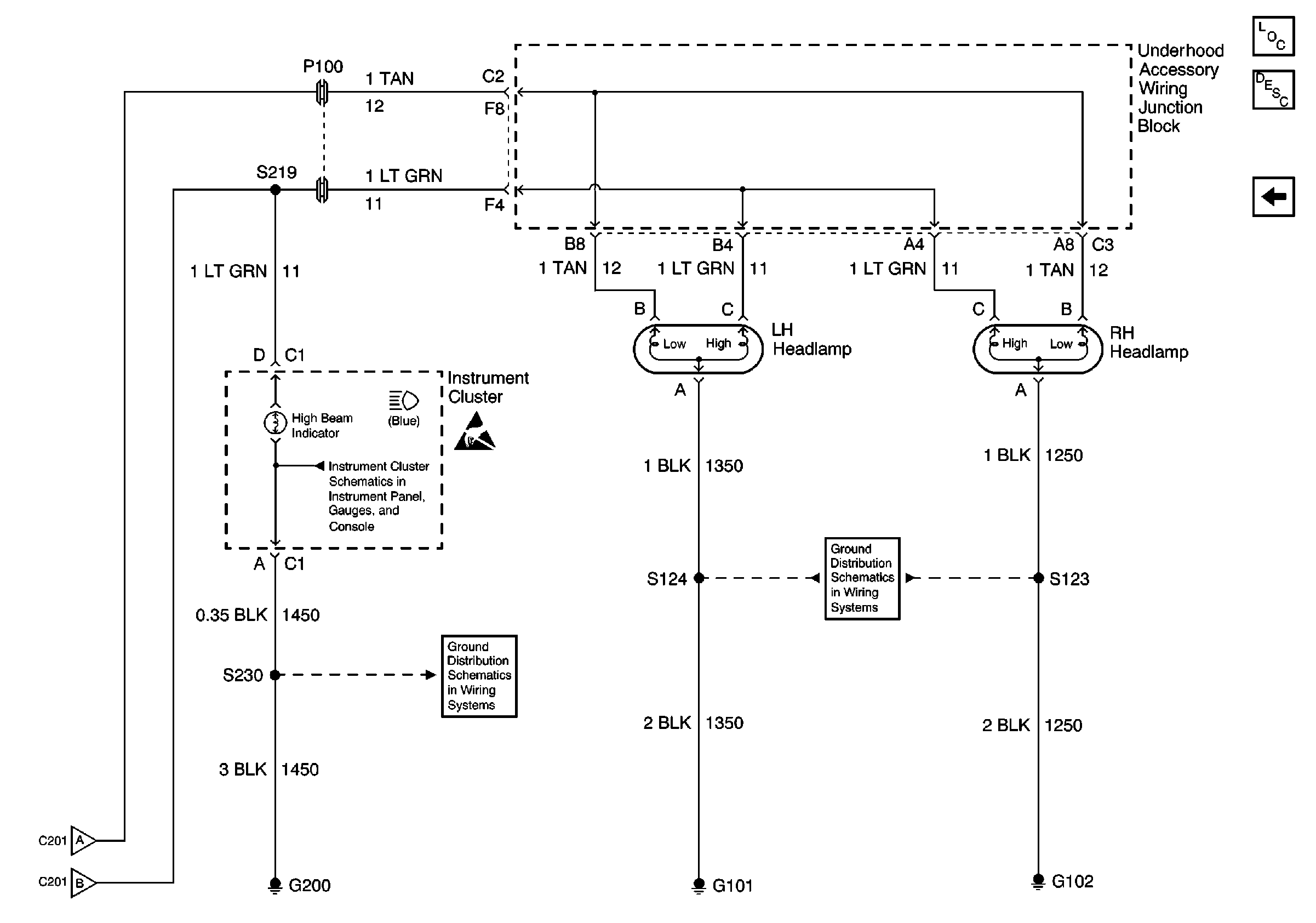
🢒 Headlights Schematics (Cell 100: Headlamps)
Headlights Schematics (Cell 100: Headlamps)
Headlights Schematics (Cell 100: Headlamps)
Handling ESD Sensitive Parts Notice
Hardwire Indicators
Cell 14: G200
Headlights Schematics (Cell 100: Headlamp and IP Lamp Dimmer Switch)
Headlights Schematics (Cell 100: Headlamp and IP Lamp Dimmer Switch)
Cell 14: G101 and G102
Lighting Systems Components
Headlights Circuit Description Domestic
Headlights Schematics (Cell 100: Headlamp and IP Lamp Dimmer Switch)