GM Service Manual Online
For 1990-2009 cars only
Makes
🢒
Chevrolet
🢒
2000
🢒
Venture
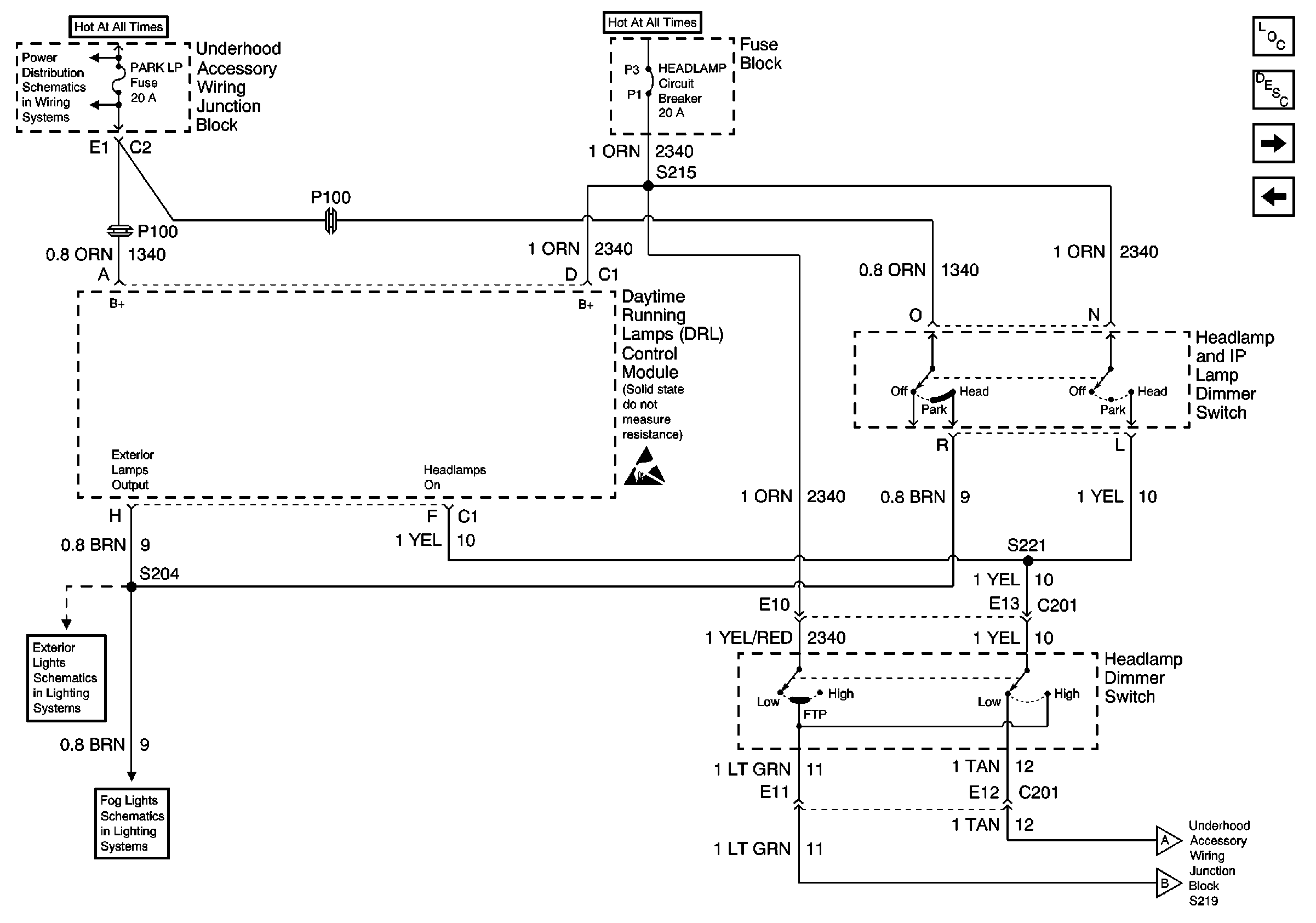
🢒 Headlights Schematics (Cell 100: Headlamp and IP Lamp Dimmer Switch)
Headlights Schematics (Cell 100: Headlamp and IP Lamp Dimmer Switch)
Headlights Schematics (Cell 100: Headlamp and IP Lamp Dimmer Switch)
EBCM, BATT Main 1 and Radio Fuses
Cell 110: License Lamps, Relay Center
Fog Lights Schematics (Foglights) Cell 103)
Handling ESD Sensitive Parts Notice
Lighting Systems Components
Headlights Circuit Description Domestic
Headlights Schematics (Cell 100: Headlamps)
Headlights Schematics (Cell 100: Park Brake Indictor Switch, DRL Ambient Light Sensor)
Headlights Schematics (Cell 100: Headlamps)
Headlights Schematics (Cell 100: Headlamps)